EasyManua.ls Logo

Philips FTL2.4E - SSB: Audio Delay (B6 D)

Philips FTL2.4E
118 pages
Print Icon
To Next Page IconTo Next Page
To Next Page IconTo Next Page
To Previous Page IconTo Previous Page
To Previous Page IconTo Previous Page
Loading...
Circuit Diagrams and PWB Layouts
EN 49FTL2.4E AA 7.
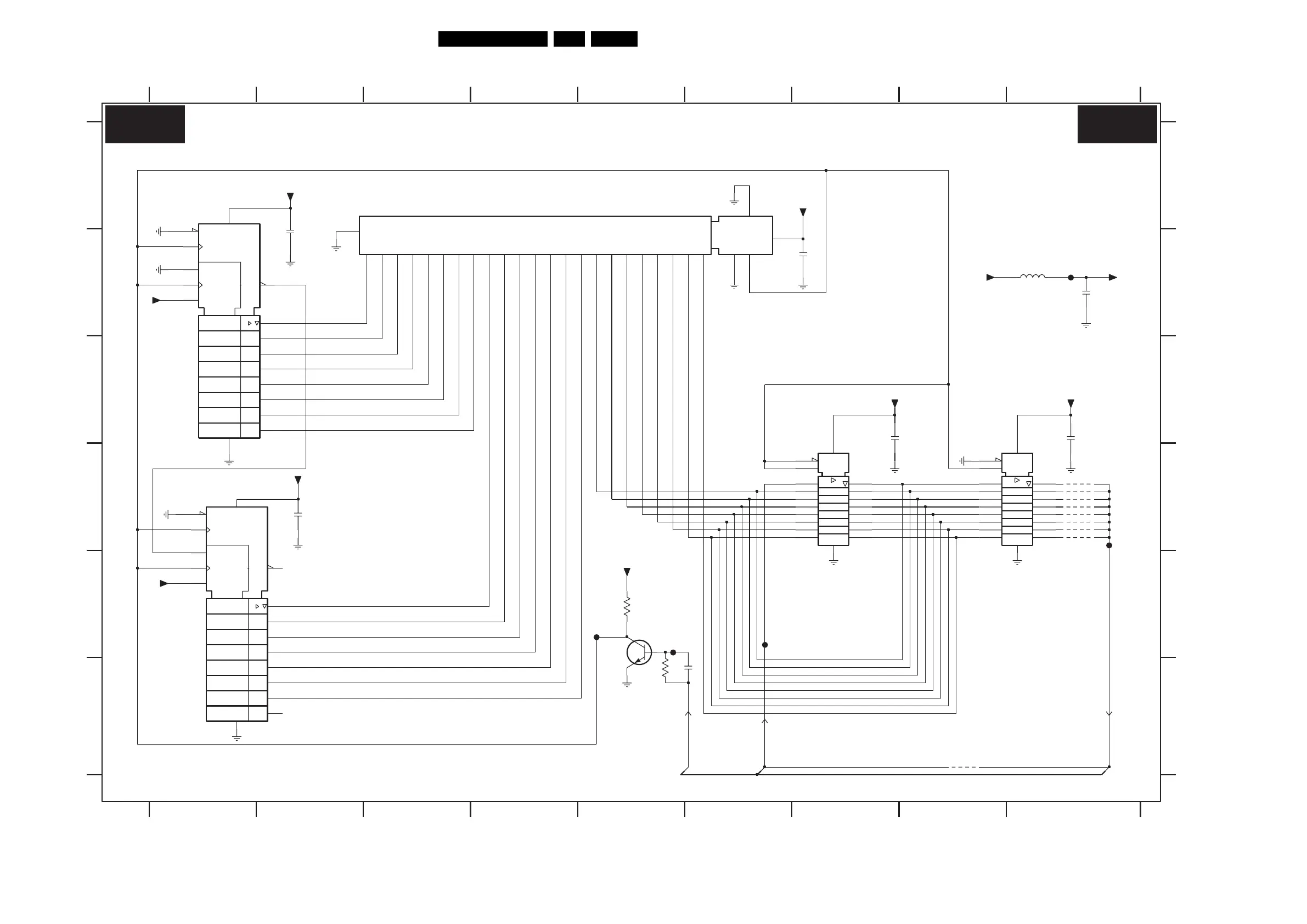
SSB: Audio Delay
EN
C1
1D
EN
C1
1D
C2
G1
1+
CT=0
CTR8
(CT=255)Z4
2D 3
4
EN3
C2
G1
1+
CT=0
CTR8
(CT=255)Z4
2D 3
4
EN3
2A45 B7
3A02 F5
3A67 E5
5A07 B9
7A11 A1
7A12 D1
B6a,b
B
C
D
E
F
2A12 B2
2A13 D2
2A19 F5
2A24 C7
2A34 C9
2A38 B9
B6a,b
AUDIO DELAY
B6a
12345678 9
1
7A13 E5
7A14 D7
7A15 D9
7A16 A5
2345678 9
A
9A75 D9
FA00 B9
FA01 E5
FA02 E5
FA03 D9
FA04 E6
B
C
D
E
F
A
47K
9A21 D9
9A22 D9
9A23 D9
9A24 D9
9A25 F8
9A72 D9
9A73 D9
9A74 D9
+5D
3A02
+5D
FA00
2A38
1u0
9A23
FA04
3A67
470R
1
19
18
17
16
15
14
13
12
20
2
3
4
5
6
7
8
9
10
11
7A14
74HCT573PW
2A19
27p
+5D
100n
2A13
5A07
+5M
2A24
100n
2A12
100n
+5D
9A24
100n
2A34
+5D
FA02
FA01
+5D
9A73
9A72
BC847BW
FA03
7A13
19
I|O7
22
OE_
28
VCC
27
WE_
14
GND
11
I|O0
12
I|O1
13
I|O2
15
I|O3
16
I|O4
17
I|O5
18
I|O6
25
A3
26
A4
1
A5
2
A6
3
A7
4
A8
5
A9
20
CE_
21
A0
23
A1
6
A10
7
A11
8
A12
9
A13
10
A14
24
A2
7A16
CY7C199B-15ZC
9A25
9A74
9A21
+5D
9A75
3
4
5
6
7
13
9
16
+5D
11
12
10
8
14
15
1
2
6
7
13
9
16
M74HC590T
7A12
12
10
8
14
15
1
2
3
4
5
M74HC590T
7A11
11
2A45
100n
19
18
17
16
15
14
13
12
20
2
3
4
5
6
7
8
9
10
11
1
7A15
74HCT573PW
+5D
9A22
I2S-MSP-CLK
I2S-MSP-OUT
I2S-MSP-IN
B6D B6D
F_15460_026.eps
070405
8204 000 8477.1

Table of Contents

Related product manuals