EasyManua.ls Logo

Philips FW C330 - TAPE MECHANISM ELECTRONICS

Philips FW C330
72 pages
Print Icon
To Next Page IconTo Next Page
To Next Page IconTo Next Page
To Previous Page IconTo Previous Page
To Previous Page IconTo Previous Page
Loading...
9-5 9-5
# For Auto-reverse version only
* If high frequencies are not within limits, decrease bias and re-measure.
If distortion is too high, increase bias and re-meaure
^ Not applicable for Ferro version
PLAY
mV-meter
check
limits see fig.1
CHECK PLAYBACK FREQUENCY RESPONSE
TAPE ADJUSTMENT & CHECK TABLE
TEST
CASSETTE
RECORDER
MODE
MEASURE
ON
READ ON
ADJUST
with
ADJUST MOTOR SPEED
SBC420
3150Hz
PLAY B
PLAY A
frequency
counter
3620
check
NORMAL SPEED
PLAY
PLAY FWD
PLAY REV #
W&F-meter
mV-meter
left hand screw
right hand screw
max. output level
& left=right
CHECK WOW & FLUTTER
DECK A & B
ADJUST AZIMUTH
3150Hz +/- 0.5%
3150Hz -0.8/+1.8%
<0.4 % DIN
DECK A & B
to
mV-meter
DECK B
ADJUST BIAS CURRENT
RECORD
5
6
or
LEFT
RIGHT
1
2
or
LEFT
RIGHT
1
2
or
LEFT
RIGHT
1
2
or
LEFT
RIGHT
1
2
or
LEFT
RIGHT
CHECK OVERALL FREQUENCY RESPONSE AND DISTORTION
Inject 3mV signals
100Hz, 250Hz, 1kHz,
10kHz, 12.5kHz
1
2
or
LEFT
RIGHT
Inject 1kHz 8.85mV
3
4
or
via
3
4
or
via
1
2
or
LEFT
RIGHT
RECORD B
RECORD B
PLAY B
PLAY B
mV-meter
THD-meter
check
check
limits see fig. 2 *
<3% *
RECORDED
CASSETTE
RECORDED
CASSETTE
995mV
750mV +/- 1.5dB
3773
check
figure. 1
f(Hz)
level(dB)
8dB
6dB
12.5k
4k
250
80
8dB
f(Hz)
level(dB)
8dB
10dB (HSD)
6dB
10k
4k
250
100
8dB
10dB (HSD)
figure. 2
check
SBC419A^ : 4822 397 30069
SBC420 : 4822 397 30071
SBC420
3150Hz
SBC420
10kHz
SBC420
DECK A & B
SBC419A^
SBC420
SBC419A^
or
SBC420
SBC419A^
or
SBC420
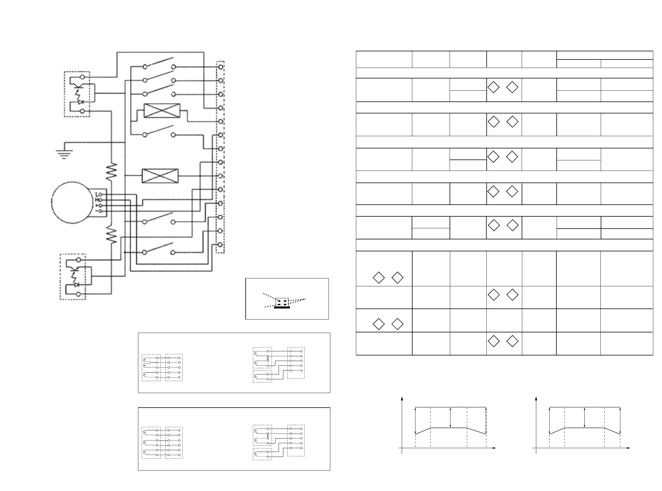
1. B Rec Switch (REV)
Rec-R
CrO2*
CrO2*
Rec-F
Solenoid
B-Mode
A-Mode
Solenoid
Motor
R1 (680R)
R2 (680R)
A Photo Sensor
B Photo Sensor
2. B CrO2 Switch
3. B Rec Switch (FWD)
4. B Photo Out
5. B Solenoid
6. Vcc 12V
7. B Mode Switch
8. Gnd
9. A Solenoid
10. A Photo Out
11. A Mode Switch
12. Motor L
13. A CrO2 Switch
14. Motor H
* No Leaf switch & copper pattern
shorted together for Ferro version
TAPE MECHANISM ELECTRONICS
Rec/Pb
Head
Head wire
connector pcb
1. White
2. Black
3. Red
4. Blue
5. Yellow
Erase
Head
For Normal Head
Rec/Pb
Head
Head wire
connector pcb
1. +L ch (White)
2. - ch (Black)
3. +R ch (Red)
4. E Head (Blue)
5. E Head (Yellow)
For Auto-reverse Head
Mechanism B Head Wires Soldering (Non-Dolby version)
Rec/Pb
Head
Head wire
connector pcb
1. White
2. Black
3. Red
4. Blue
5. Yellow
Erase
Head
For Normal Head
Rec/Pb
Head
Head wire
connector pcb
1. +L ch (White)
2. - L ch (Black)
3. +R ch (Red)
4. - R ch (Blue)
5. E Head (Yellow)
6. E Head (Yellow)
For Auto-reverse Head
Mechanism B Head Wires Soldering (Dolby B NR version)
Pink or
Red
White
Screen
(Gnd)
Play
Head
Mechanism A Head Wires Soldering

Other manuals for Philips FW C330

Related product manuals