EasyManua.ls Logo

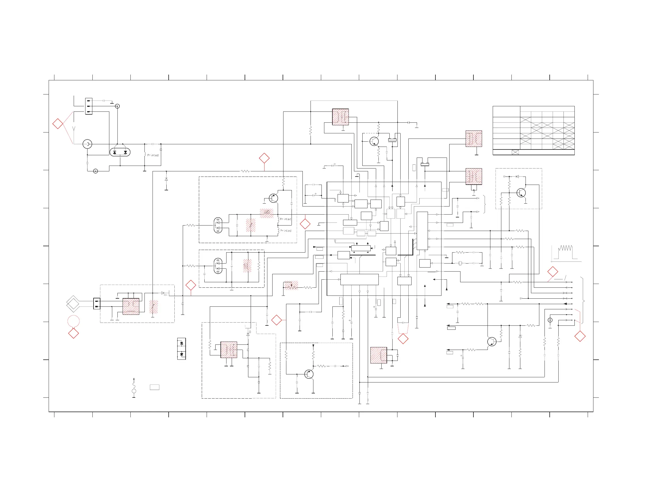
Philips FW C330 - Non-Cenelec Tuner Circuit

Philips FW C330
72 pages
Print Icon
To Next Page IconTo Next Page
To Next Page IconTo Next Page
To Previous Page IconTo Previous Page
To Previous Page IconTo Previous Page
Loading...
NON-CENELEC TUNER CIRCUIT
11-9
11-9
SCALER
MULTI-
PLEXER
CONTROL
FILTER
AM
IF
AM
DET
FM
DET
VSTABB
DECODER
CHARGE
PUMP
AGC
OSC
AM DET
FM
IF2
RIPPLE
AGC
STABILIZER
AFC
VDD
VSTABA
AM-IF
MONO/
FM
FRONTEND
CONTROL
XTAL
AGC
PRE-
CTRL
AGC
AM
OSC
AGC
VCC2
FM
OSC
AM
MIXER
MIXER
FM
FM
IF1
FRONTEND
AM
STEREO
STEREO
/ SYSTEMS NON CENELEC
0V
0.8V
9.5V
/17 FM/AM
RDS only
pin 5
0.8V
AMPLIFIER
C
D
E
F
G
H
A
B
C
D
E
F
G
H
c1 E14
c2 F14
c3 F14
c4 F14
c5 F14
c6 F14
/06 FM-Japan/AM
1.1V
1.1V
1V
0V
VERSION DETECTION
1.2V
1.4V
1.6-8V
DISCRIMINATOR
MPX
0.1V
152 kHz, 50mVpp
stereo
1234567891011121314
1
7.8V
1V
0.7V
0V
2V
FM-IF2
/14 FM-OIRT/MW
/01 FM/MW
11.1V
1V
0.6V
0.6V
2 3 4 5 6 7 8 9 10 11 12 13 14
A
B
stereo 0.4V
1.4V
0V
GND
0V
0.7V
AM-OSCILLATOR
AM FRAME AERIAL
OUTPUT PORTS
TUNER BOARD ECO6
5V
STEREO
9.6V
12V
AM-RF
c8 F14
c9 F14
c10 H8
c11 F14
c12 F14
1101 A1
1102 B1
1103 F2
1130 A2
1131 B2
1132 G13
2101 B3
2102 B1
2103 C7
2104 B3
2105 A2
VCO
31573156 7111
5
to/from
0V
2V
DATA
7.8V
LEFT
ENABLE/MPX
RIGHT
VCC
CLOCK
2106 F3
2107 F4
2112 B9
2119 H6
2120 G6
2124 H6
2125 H6
2126 F7
2127 F7
2128 B8
2129 C7
2130 F11
2131 G8
AM-IF2
9.6V
stereo
0V
mono
1
FM-IF1
6105
8
2132 G8
2133 G8
2134 H8
2135 H9
2136 G14
2137 G13
2138 F9
2139 G9
2140 G9
2141 F10
2143 G12
2144 G11
2145 F12
2146 E12
2147 E12
2148 E12
2149 H7
2150 A10
2152 E4
2153 E5
2154 D5
2155 D6
0.7V
0.2V
FM 75 OHM
450kHz
450kHz
450kHz
1.3V
0.7V
7.7V
1.4V
AM-IF1
0.15V
0V
1.2V
0V
1.3V
0.1V
(10-14V)
2159 F6
2161 C11
2163 D11
2164 F10
2165 C7
2166 E12
2167 E12
2169 H8
3101 E4
3102 D4
3103 C6
3104 A7
MW
/00 /02 FM/MW/LW
VERSION
4
7.6V
0.7V
1.4V
12Vtyp
1-8V
11V
6
PROGR.
11.1V
mono 4.8V
10.4V
3105 B6
3113 B9
3119 A9
3132 G5
3134 H6
3141 F7
3142 E7
3143 G7
3144 H8
3145 F8
3146 G13
3152 G14
3153 G13
3154 G13
3155 G11
7
component mounted
3
Q-multiplier
AM-RF
to 1120
BUFFER
mono 4.8V
0.2V
1.4V
AM-AFC
9.5V
3156 C12
3157 C12
3158 E13
3159 D13
3160 D12
3161 D13
3167 F12
3168 F11
3169 E11
3170 C12
3172 G12
3176 G7
3181 E6
4103 A9
5102 F2
5109 A9
5131
1.1V
kHz
7.6V
1V
from 2169
/00 /02 FM/MW
3170
FM-OSCILLATOR
0.6V
5110 B10
5111 A8
5112 A11
5114 B11
5119 G9
5121 E11
5123 G5
5130 E5
5131 C6
6103 B2
6105-1 F3
6105-2 G6
6106 C3
0V
6120
VERSION PROGRAMMING COMPONETS
HN1V02H
2
MW
0.8V
1.4V
stereo 0.2V
0V
0V
6107 G13
6120 C13
6130 E5
6131 D5
7101 C8
7102 C6
7103 H7
7111 C13
7112 G12
7119 B9
1.2V
7.9V
1.4V
7103
BC857C
3154
330R
220R
3155
1130
C-PAD
18p
2127
3157
6120
BAS216
2165
100n
150K
1
5111
2128
10u
2n2
2169
7112
3170
100K
J
100p
2112
5110
2
33K
120R
3168
J
470R
3158
BZX284-C11
5130
BC547B
1K
3113
c2
YKD31-0432
1
2
470n
220n
56K
5114
1
2
3
4
6
78
3141
7P
6107
c11
c5
c10
3132
22K
3161
p
100n
2161
47R
2148
2n2
470R
3160
2149
33p
3176
c8
c12
BC847C
c6
c4
7111
2150
100n
c3
1SV228
6130
2155
11p
220p
2147
330R
3119
J
3144
1K
2130
22n
p
10p
2119
1SV228
c1
22K
6131
BF550
3143
33p
BAS216
6106
7102
2159
1
2
3
4
6
78
2166
5112
7P
47p
2101
1n
560p
2125
7KL
5102
1
2
34
5
6
78
BFS20
7119
J
100K
c9
1u
2133
2
3
4
6
78
1K
3181
100p
2104
3169
2167
12p
2126
330p
5119
1
2
3
4
6
78
5123
1
2
34
6
78
3101
33K
33n
2152
560p E_EU
120R
3167
220n
2143
C-PAD
1131
p
2154
2
3
22K
3134
4p7
1101
USA
YKD21
1
5K6
3172
2140
82p
2131
3145
2K2
2141
100n
1102
not_USA
5109
G
2
I
1
O
3
2144
C-PAD
1132
2146
220p
1u
15n
DT-381
5121
75K
3105
220R
2135
22n_USA
15p
470n
2164
p
2163
100n
2139
100n
2105
USA
100u
2129
3156
100K
2137
220n
100K
3142
220p
2145
330R
3104
4103
6105-1
1
2
7
2102
100n
15p
2153
12p E_EU
2p2 J
HN1V02H
1u
22n
2124
15n
22n_USA
2107
2134
1n
100K
3102
8K2
3103
2103
470R
3153
2136
220n
6105-2
5
6
470R
3152
2120
HN1V02H
3146
22R
3159
470R
XH-S
1
2
2106
1103
11p
7
VCC1
22
VCC2
VCO
9
23
VDD
38
VSTABA
34
VSTABB
WRITE-EN 29
25
2u2
2138
3
FM-RF
8
I-TUNE
17
IF-GND
LEFT
1412
LPF
24
11
MPX-IN
13
MUTE
30P0
31P1
16
PILOT
4
RF-GND1
42
RF-GND2
15
RIGHT
1
RIPPLE
AM-IF1-IN
36
AM-IF2
40
AM-MIXOUT
AM-OSC
6
2
AM-RF
CLOCK 27
28DATA
26DIG-GND
21
FIELDSTR-IND
18
FM-DEMOD
FM-IF1-IN
37 35
FM-IF2
FM-IF2-IN 33
43
FM-IN
39
FM-MIXOUT
5
FM-OSC
TEA5757H
7101
10
AF-OUT
20
AFC+
19
AFC-
44
AGC
32AM-AFC
41
G
1
I
3
O
470n
2132
VCC2
VCC1
VDD
P1
P1
VCC1
MPX
VCC2
MPX
VCC1
P0
VDD
6103
BAV99
ORIGINAL SCHEMATIC FROM ICAP VIENNA
REFER TO 3103 308 6426
3139 118 55160 ...91060 dd wk203
* ... only assembled in FM/AM-version
J ... Japan version only
EVM
transmitter
set is tuned to a strong
voltages measured while
p ...for provision only
E_EU ... for East European version only
USA ... for USA version only
LEGEND
...V FM mode stereo
...V MW mode
V
3
4
C
D
A
B
1
5
2

Other manuals for Philips FW C330

Related product manuals