EasyManua.ls Logo

Philips FW C330 - Page 47

Philips FW C330
72 pages
Print Icon
To Next Page IconTo Next Page
To Next Page IconTo Next Page
To Previous Page IconTo Previous Page
To Previous Page IconTo Previous Page
Loading...
10-510-5
SDA
VCC
DOBM
A-D
A-C
7871
1876 1875
1877 1878
7873
HEF4094BT
LD ON
HF IN
V1
D1
D2
D3
D4
R1,R2
MOT1
REGISTER
SHIFT
SIGNAL PROCESSOR
CD10
SAA7324 (SAA7325)
TRAY
MOTOR
CAROUSEL
MOTOR
SL
D5
VDD
D3
D2
D0
RA
FO
DIODES
PHOTO
FE
INNER SWITCH
SWITCH INFO
LASER &
MONITOR
DIODE
TURNTABLE
MOTOR
DISC
CD MECHANISM
CAROUSEL
TRAY
MAINBOARD
DATA
SHR_CL
7802
38
42
40
39
5,17,21,52,57
64
V4
61
2
63 51
2
3
STB
1
12
11
16
13
9
12
1,3
2
2
4
1,3
2
4
2
3
5
1
3
1
5
14
13
2
1
7
6
+3,3V
SCL
SILD
RESET
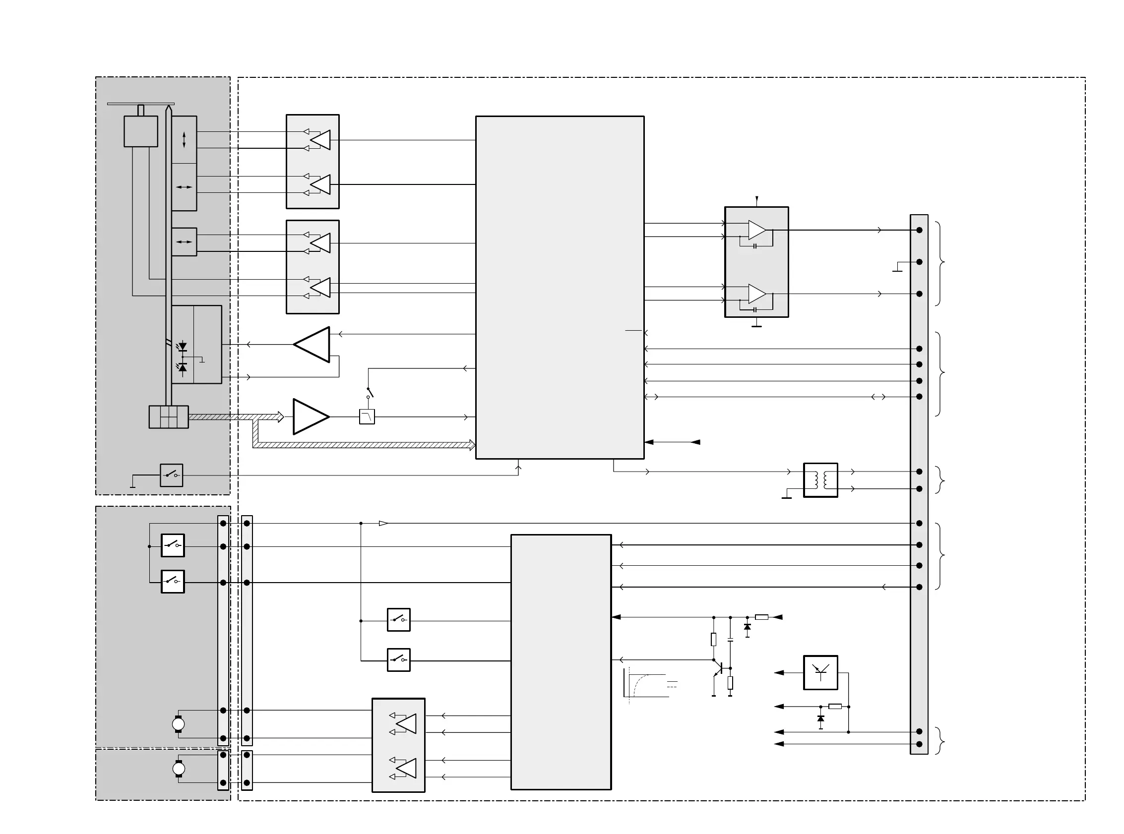
Blockdiagram 3CDC-LLC 2001-09-04
+5V
+4V
+3,3V
+10V
7875
+5V
6877
BLOCK DIAGRAM 3CDC-LLC-MCD1
+10V
15
16
5V1
V
t
EN1
CD DRIVE UP/DOWN SWITCH
1881
1880
TRAY SWITCH
1882
CD POS.1 SWITCH
POS. RECOGNITION
6
7
4
5
1882 closed if carousel is in Position 1.
1883
1883 open if carousel is in a valid Play-Position.
CD RW= 3V
CD DA= 0V
EQ-Selection
Closed if the tray is in one endposition.
Open during movement.
Open if the drive is in one endposition.
Closed during movement.
VDD (pin 16)
EN1 (pin 15)
Power on
FOCUS
MOTOR
RADIAL
MOTOR
SLEDGE
MOTOR
MOTOR
TURNTABLE
55
54
56
59
1
16
13
9
12
9
12
13
16
6
7
2
7806
TDA7073A
7807
7808,7809
7803,7802
7810
TDA7073A
TTM+
TTM-
LD
MON
SLEDGEB-
SLEDGEB+
RADB-
RADB+
FOCB-
FOCB+
MOT2
60
1
BA
CD
EBU OUT
MCD-1
RAB
41
4
SHR_STR
TDA7073A
1805
17
18
19
14
16
13
3
4
11
SHR-DATA
12
8
6
9
Active low pass
Filter
TDA1308
7805
1
2
3
6
5
6
+5V
8
4
+
-
+
-
CD LEFT
CD RIGHT
22
23
18
19
RN
RP
LN
LP
DATA
SHR_CL
SWITCH INFO
COAX1
COAX2
14
RAB
41
RAB
EBU OUT
5802
SICL
SILD
+5V
+10V
Supply
Digital Audio
Changer
Control Logic
Analog Audio
Communication
µP Signal Processor

Other manuals for Philips FW C330

Related product manuals