EasyManua.ls Logo

Philips FW390 - Page 11

Philips FW390
20 pages
Print Icon
To Next Page IconTo Next Page
To Next Page IconTo Next Page
To Previous Page IconTo Previous Page
To Previous Page IconTo Previous Page
Loading...
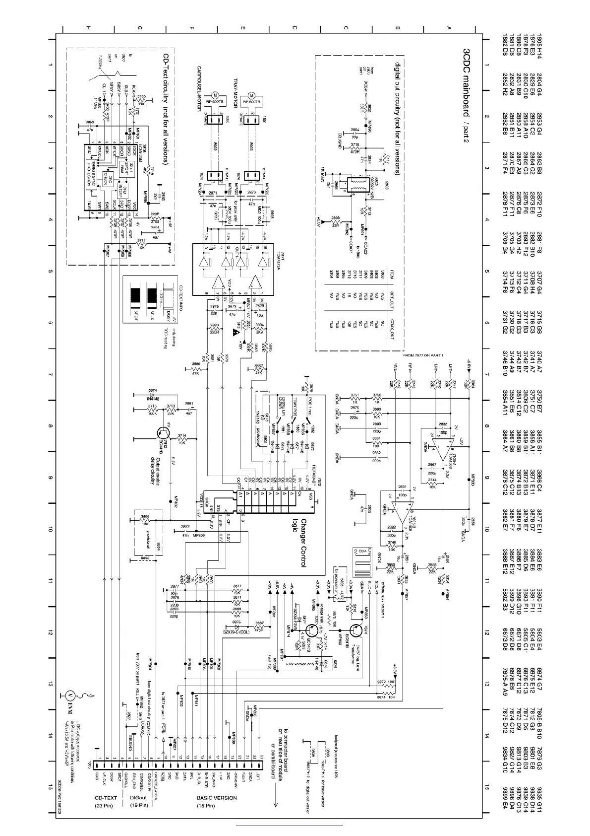
FW390(1907) - 3CDC MAINBOARD PART 2 SCHEMATIC Page: 11 of 20
PDF created with pdfFactory trial version www.pdffactory.com

Related product manuals