EasyManua.ls Logo

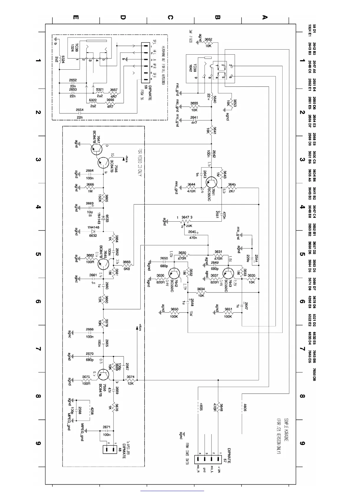
Philips FW390 - Karaoke and Headphone Schematic

Philips FW390
20 pages
Print Icon
To Next Page IconTo Next Page
To Next Page IconTo Next Page
To Previous Page IconTo Previous Page
To Previous Page IconTo Previous Page
Loading...
FW390(1907) - KARAOKE AND HEADPHONE SCHEMATIC Page: 8 of 20
PDF created with pdfFactory trial version www.pdffactory.com

Related product manuals