EasyManua.ls Logo

Philips FWM35/21 - Set Block Diagram

Philips FWM35/21
66 pages
Print Icon
To Next Page IconTo Next Page
To Next Page IconTo Next Page
To Previous Page IconTo Previous Page
To Previous Page IconTo Previous Page
Loading...
4-1
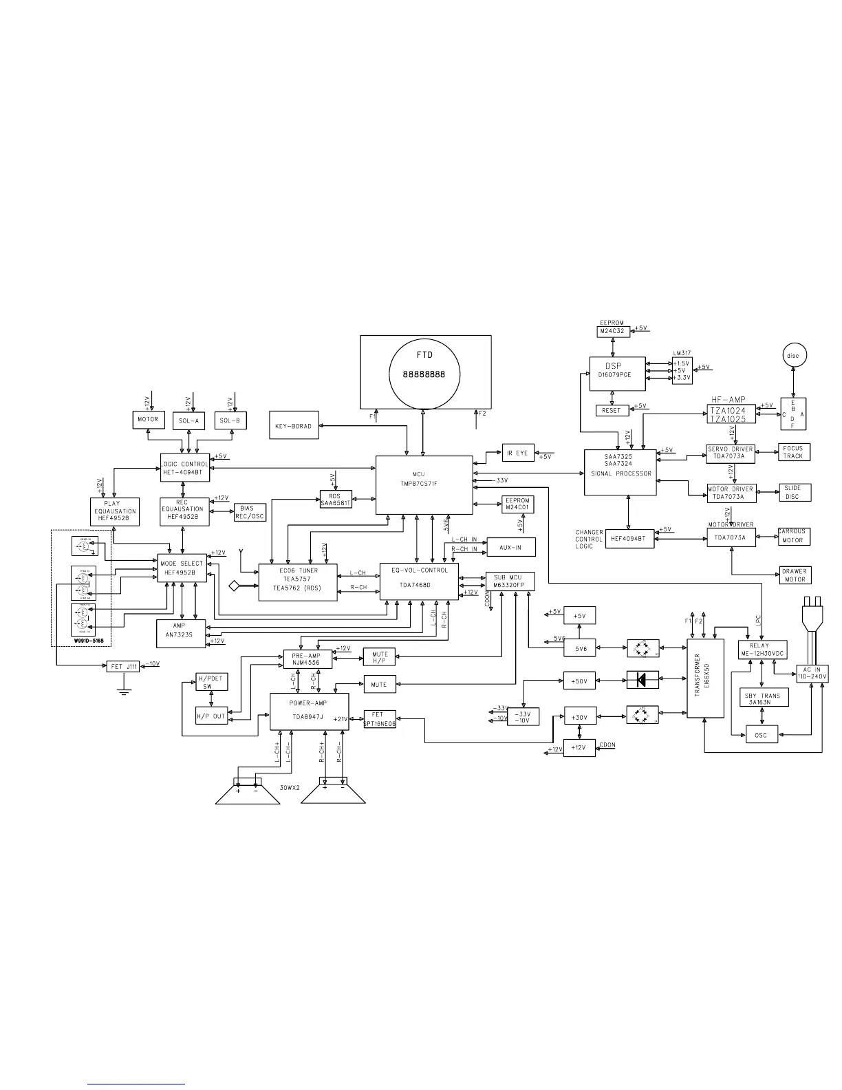
SET BLOCK DIAGRAM
4-1

Table of Contents

Related product manuals