EasyManua.ls Logo

Philips LC8.1E LB - 7.8 SSB: Audio Class D

Philips LC8.1E LB
71 pages
Print Icon
To Next Page IconTo Next Page
To Next Page IconTo Next Page
To Previous Page IconTo Previous Page
To Previous Page IconTo Previous Page
Loading...
40LC8.1E LB 7.
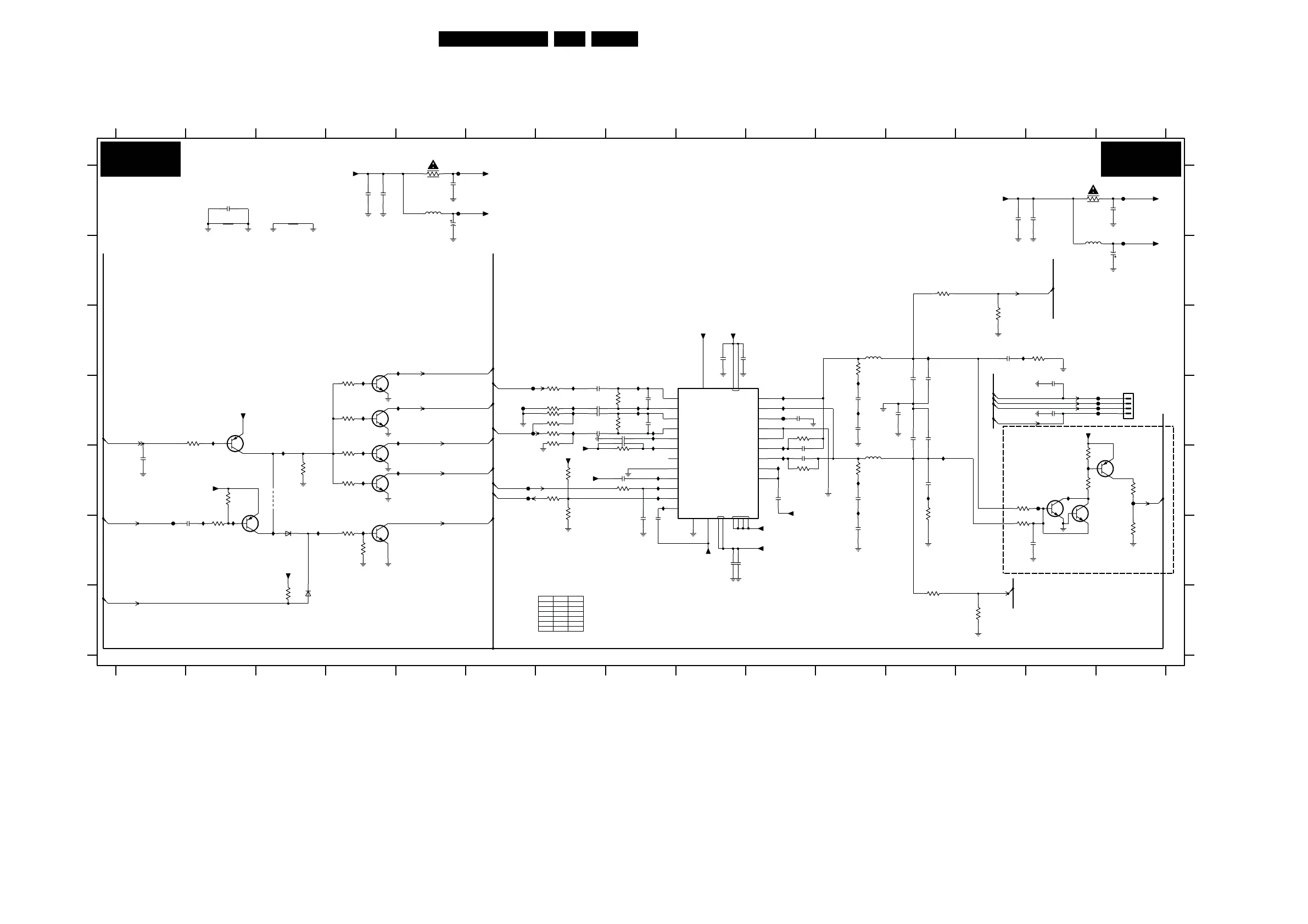
Circuit Diagrams and PWB Layouts
SSB: Audio Class D
VSSD|HW
IN1N
IN2P
IN2N
INREF
OSCREF
OSCIO
HVPREF
DREF
ENGAGE
POWERUP
TEST
VDDP
VSSP
VDDA
STAB2
STAB1
BOOT2
BOOT1
HVP2
HVP1
DIAG
OUT2
OUT1
CGND VSSA
IN1P
12K
IA10 D7
IA11 D7
IA12 D8
IA13 D8
3V2
11V9
RES
IA53 D4
IA67 F4
IA68 D2
IA69 F2
IA70 F2
IA71 F3
IA72 F3
IA73 C13
MUTING CIRCUIT
GND
IA22 E8
IA30 E14
IA31 E14
IA33 E8
IA35 D11
IA36 D11
IA38 E11
IA39 E11
IA42 E3
FA08 D 15
FA09 D 6
FA10 D 15
FA11 D15
FA12 E6
FA13 E6
IA51 D4
IA52 D5
3A06
RES
3V3
IA44 D5
IA45 E5
IA48 E4
IA49 E4
IA50 C5
IA05 D7
IA06 D8
IA07 D10
IA08 E12
IA09 D8
7A07 F14
7A52 E2
7A53 F2
7A56 E4
7A57 E4
7A60 F4
-7V6
EMC
TO SPEAKERS
-8V2
IA14 E10
IA15 E8
IA16 E10
IA17 E12
IA18 E10
IA19 E8
IA21 E8
FA03 A5
FA04 D10
FA05 D6
FA06 D6
FA07 D15
3A70 E3
3A71 E4
3A72 E4
3A75 G3
3A76 F4
3A77 F4
RES
3A08
-2V6
3V9
EMC
FA14 B15
FA15 F1
FA32 E15
FA33 E14
IA01 D7
IA02 D8
IA03 D10
IA04 C12
6A51 F3
6A52 G3
7A01 D9
7A05 E15
7A06 E14
3A16 G13
3A17 E11
3A18 E12
3A19 E7
3A20 D7
3A21 D7
6K8
RIGHT -
*
DC-DETECTION
GND
10K
22K
7A61 D4
7A62 D4
FA01 A5
FA02 A15
3A32 E7
3A33 E7
3A61 D2
3A62 E2
3A63 F2
2A64 A13
2A65 A14
2A66 A2
2A67 D14
2A68 D14
3A01 A5 3A78 D4
3A79 D4
4A51 E3
5A03 C11
5A04 E11
5A05 A5
5A06 B14
3A11 D7
3A12 C13
3A13 E8
3A14 C14
3A15 G12
2A25 E10
2A27 E10
2A28 D12
2A29 E8
2A30 E10
2A31 E11
RES
-2V8
AUDIO - CLASS D
12K
3A22 D10
3A23 E10
3A26 E8
3A27 E13
3A28 F13
3A29 E15
3A30 E15
3A31 F15
2A45 D12
2A60 E1
2A61 F2
2A62 A4
2A63 A4
E
F
G
A
B
C
3A07
-2V8
LCD
3A04
3A02 A14
3A03 D7
3A04 D8
3A05 E15
3A06 D7
3A07 D7
3A08 D8
3A09 C11
3A10 B12
2A20 D7
2A21 D11
2A22 D8
2A23 D12
2A24 D8
234567
8V9
10K
2V6
-12V2
12V2
-1V3
2A32 F8
2A33 F9
2A34 F10
2A35 D11
2A36 F11
2A40 F8
2A41 F14
15
A
B
C
D
7 8 9 10 11 12
10K
-12V2
22K
-2V8
10K
2A12 D8
2A14 C12
2A15 D7
2A16 D7
2A17 C12
2A18 D10
2A19 D8
13 14 15
1
2A04 A5
2A05 E12
2A08 B15
2A09 C9
2A10 C10
2A11 D7
6K8
4V7
3A03
0V
8 9 10 11 12 13 14
23456
-2V8
LEFT +
3A11
RES
0V
RES
G
1A35 D15
2A01 A5
2A02 A15
2A03 C13
PDP
D
E
F
0V
6K8
RES
NC
1
6K8
BC847BW
FA09
7A07
IA12
VDDA
1u0
FA12
2A16
FA07
+3V3_STBY
1u0
2A60
6.3V
VSS
BC847BW
1
3
2
GNDSND
7A56
220p
2A19
10K
3A21
2A11 1u0
10n
2A64
25V
220u
2A04
GNDSND
3A31
10K
+3V3_STBY
FA13
IA71
IA48
IA45
BC857BW
5A05
7A52
30R
+12V_AUDIO
FA06
3A04
2A45
1n0
2A20
FA02
1u0
3A20
10K
IA09
BC847BW
7A60
2A34
100n
2A40
FA04
470n
BAS316
6A52
4K7
3A62
2A22
100n
3A70
10K
FA03
IA02
-12V_AUDIO
GNDSND
2A08
FA11
220u
25V
10K
3A19
1K0
3A71
IA15
3A09
10R
VDD
2A14
IA10
6A51
470n
IA14
BAS316
3A77
22K
IA30
2A67
1n0
IA04
GNDSND
3
4
FA10
1A35
1735446-4
1
2
7A53
GNDSND
BC857BW
IA70
IA17
IA39
10R
3A02
2A17
1n0
IA38
GNDSND
2A15 1u0
FA15
FA14
2A25
15n
3A08
3A72
1K0
4K73A26
2A12
22R
3A14
220p
100n
2A03
GNDSND
GNDSND
IA08
3A61
GNDSND
4K7
2A36
1n0
GNDSND
22R
3A18
FA01
IA72
100n
2A02
4K7
IA35
3A63
1M0
3A23
3A22 1M0
IA49
IA11
IA13
2A35
1n0
2A32
1n0
GNDSND
IA16
3A12
10K
GNDSND
GNDSND
VSS
VDDA
IA69
2A63
1n0
GNDSND
GNDSND
2A18
1n0
2A23
1n0
GNDSND
2A09
IA42
100n
VSSA
2A05
100n
10n
2A62
GNDSND
GNDSND
100n2A24
2A21
1n0
12K
3A33
IA06
BC857BW
2A66
7A05
100n
9
1
16
17
32
26
23
GNDSND
31
10
27
22
6
25
24
13
8
29
20
18
5
30
19
11
3
2
14
15
12
POWER
CLASS D
7A01
28
21
7
4
Φ
TDA8932
AMPLIFIER
7A06
BC847BW
10K
3A16
2A65
1n0
2A30
100n
27K
VDD
3
2
3A05
7A57
BC847BW
1
GNDSND
GNDSND
GNDSND
100n2A33
IA36
VDDA
IA68
3A15
270R
10R
FA05
3A01
3A27
220K
2A28
IA05
470n
2A27
15n
GNDSND
IA07
1u0
2A61
IA01
IA22
4A51
IA31
2A29
VSSA
100n
3A10
270R
VSS
5A04
22u
GNDSND
VSSA
3A03
5A06 30R
3A11
2A01
100n
3A75
10K
3A76
IA21
10K
GNDSND
FA32
FA33
3A07
1u0
2A41
1K0
3A78
IA51
IA50
7A61
BC847BW
1
3
2
IA53
IA52
GNDSND
7A62
1
3
2
BC847BW
IA18
IA33
IA19
3A17
10R
47K
VDD
VSSA
3A30
FA08
3A28
220K
GNDSND
5A03
22u
3A13 39K
VSSA
2A31
1n0
IA67
47K
3A32
3A29
47K
+3V3_STBY
IA73
IA44
3A06
3A79
1K0
GNDSND
2A68
1n0
IA03
100n
2A10
LOUT_HP
ROUT_HP
SC2_AUDIO_MUTE_L
SC2_AUDIO_MUTE_R
LOUT_SP
ROUT_SP
LOUT_SP
DC_PROT
AUDIO_LS_R
ROUT_SP_GROUND
ENGAGE
ROUT_SP
SC1_AUDIO_MUTE_L
SC1_AUDIO_MUTE_R
STANDBYn
MUTEn
POWER_DOWN
ANTI_PLOP
AUDIO_LS_L
ENGAGE
LOUT_SP_GROUND
I_18170_008.eps
210708
3139 123 6425.1
B05B B05B

Related product manuals