EasyManua.ls Logo

Philips MCD772 - Block Diagram

Philips MCD772
43 pages
Print Icon
To Next Page IconTo Next Page
To Next Page IconTo Next Page
To Previous Page IconTo Previous Page
To Previous Page IconTo Previous Page
Loading...
4-1 4-1
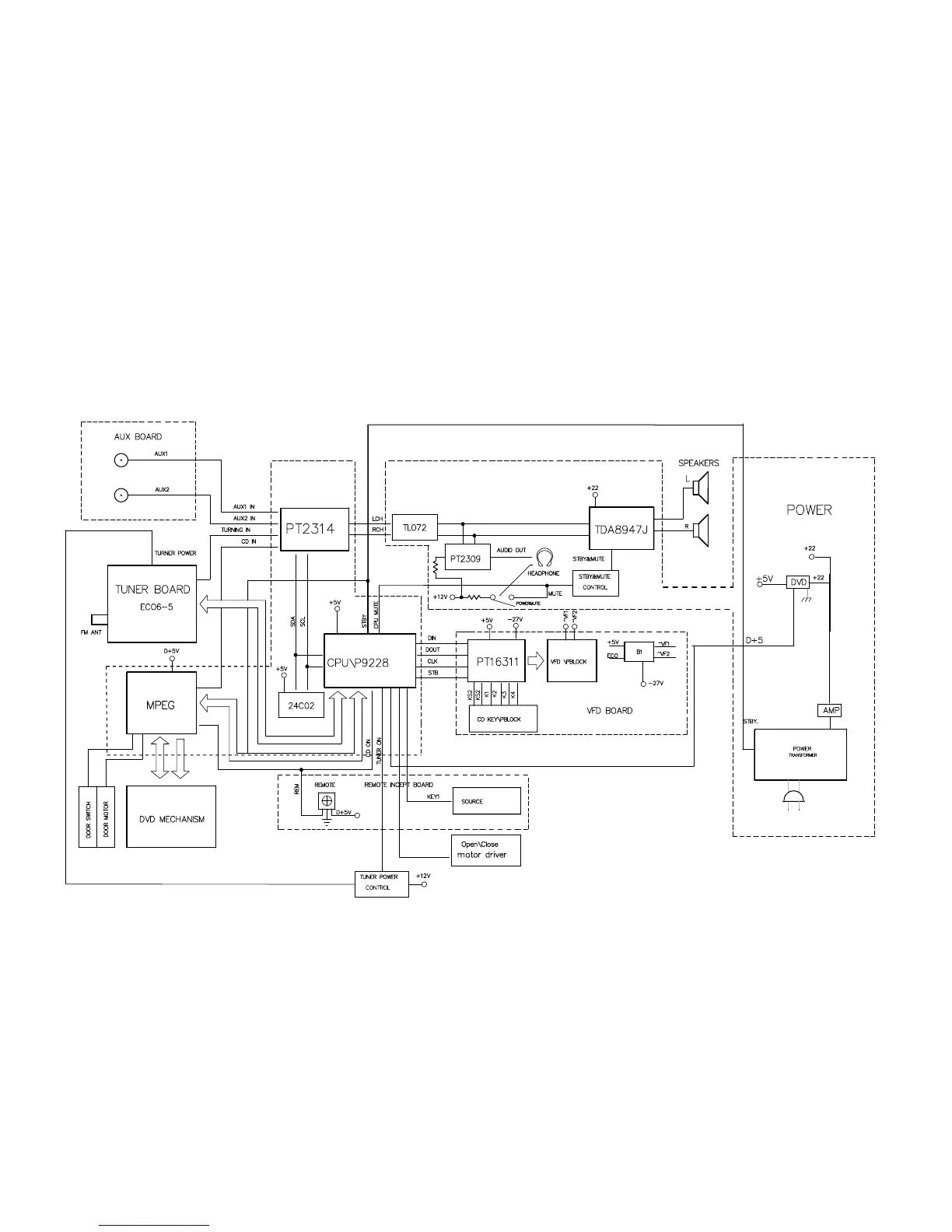
Block Diagram
DIP 42
IC101
VFD101
MPEG

Related product manuals