EasyManua.ls Logo

Philips MCD772 - Page 21

Philips MCD772
43 pages
Print Icon
To Next Page IconTo Next Page
To Next Page IconTo Next Page
To Previous Page IconTo Previous Page
To Previous Page IconTo Previous Page
Loading...
9-2 9-2
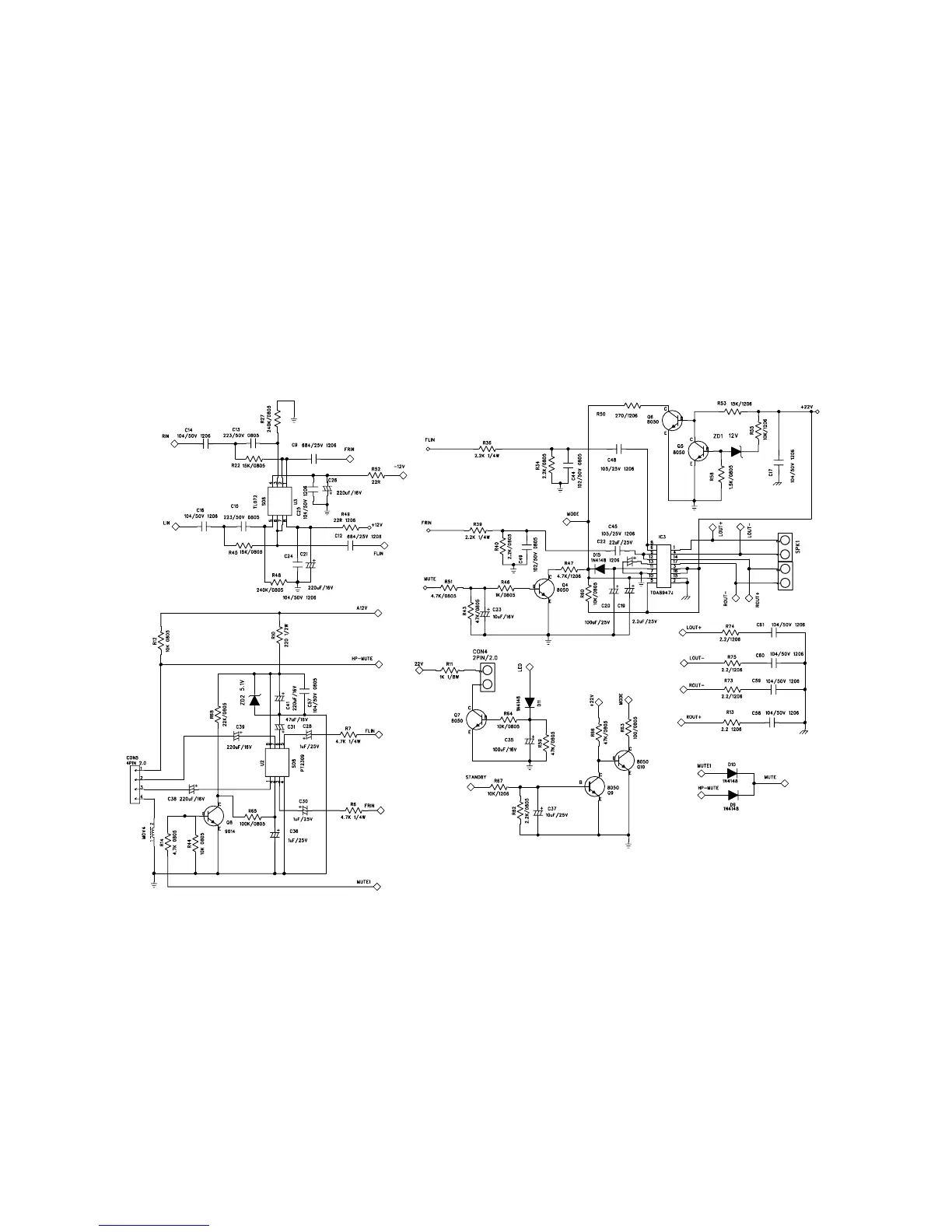
Power Board--Circuit Diagram - part2

Related product manuals