EasyManua.ls Logo

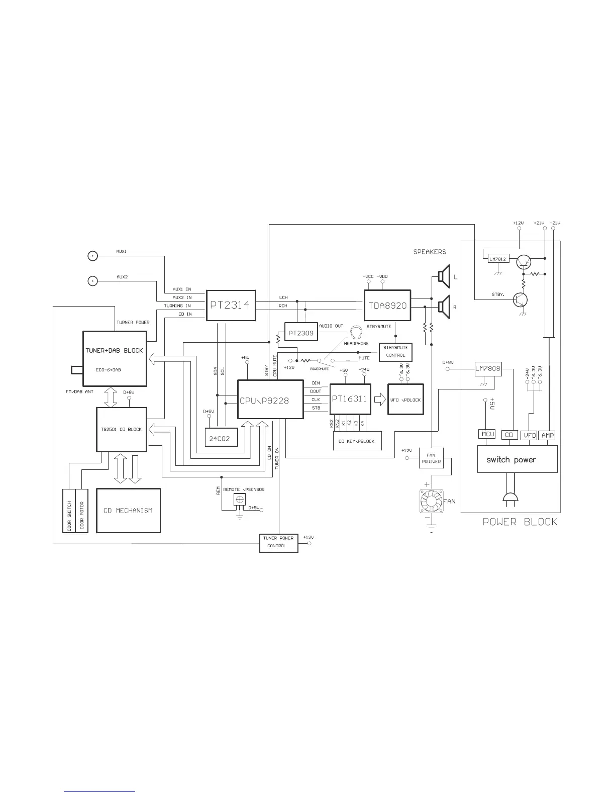
Philips MCM700/12 - SET BLOCK DIAGRAM

Philips MCM700/12
34 pages
To Next Page IconTo Next Page
To Next Page IconTo Next Page
To Previous Page IconTo Previous Page
To Previous Page IconTo Previous Page
Loading...
6 - 1 6 - 1
SET BLOCK DIAGRAM

Other manuals for Philips MCM700/12

Related product manuals