EasyManua.ls Logo

Philips MCM8/21 - CD MAIN BOARD ICD03; MP3 version 220 p

Philips MCM8/21
77 pages
Print Icon
To Next Page IconTo Next Page
To Next Page IconTo Next Page
To Previous Page IconTo Previous Page
To Previous Page IconTo Previous Page
Loading...
10-6 10-6
D.BUF
D.BUF D.BUF D.BUF D.BUF
D.BUF D.BUF
Driver Mute
Vcc Vcc
-
+
-
+
Level shift
+
-
+
-
Level shift
+
-
+
-
Level shift
Level shift
D.BUF
+
-
COM
OUTIN
Sanyo DA12
Mitsumi MCD2
from 1803/13
to 7801/7
uC_RESET
Phonic detection
3
1
(to UNIV.LOADER-MOTOR BOARD)
#
F+
D
Control Interface
D
D
D
MP3CD module
E
F
G
H
I
1800 D2
1801 G14
1803 B14
9
for DA12 use 4801 4802
FRONT - MP3CD03
from 1801
Control Interface
FRONT - MP3CD03
8
9
Tray_IRQ
5
23456789101112
D
D
to Combi Board
MOTOR DRIVER
AUDIO OUT
GND
to 1801
to 1801
CD18 - PhonIC
SIGNAL PROCESSOR
D
#
7
12
13 14
23456789
1%
D
E
D
D
SPDIF
TRACK
FOCUS
10 11 12 13 14
A
B
C
D
E
B
2
M
GND
to 1803
FFC 1->>n
F
TRACK
CD_LEFT
D
DISC
GND
C
F
G
H
I
A
B
C
D
uP_DATA
D
DSP_DATA
#
CD_RIGHT
CD MAIN BOARD
D
VCC
6K8 for DA12
SLIDE
D
B
F
1805 H11
1810 B6
2801 A9
2802 B2
2803 A9
2804 B3
2805 A6
2806 A8
C
(NC) Tray_I2C_SDA
IIS_WCLK
GND
TRACK
GND
DD
F-
VREF
14
(SW_INFO) Tray_IRQ
DISC
D
2807 A8
2808 A4
2809 A8
2810 B11
2811 B6
2812 B6
2813 C5
16
M
E
D
M1
GND
11
#
D
AU_IIS_DATA
MON
2814 C7
2815 D11
2816 D12
2817 D3
2818 D5
2819 C5
2820 D6
2821 E7
2823 G9
2824 F11
2825 F7
to MP3CD03 MODULE
4
+12V
6
DSP_CLK
ESD sensitive line!
CD_IIS_DATA
T+
2827 F7
2828 G12
2829 G8
2830 A5
2831 G12
2832 H6
2833 H7
2834 I6
2835 I5
2836 I3
2837 I4
2838 A9
D
D
FOCUS
D
D
LD
#
2839 E7
2840 G10
2841 B5
2842 A3
2843 A3
2844 G5
2845 H6
2850 A9
3803 A8
3804 B11
3805 B11
3806 C12
D
D
DSP_FRAM E
13
15
D
3807 C11
3808 C11
3809 H3
3810 C11
3811 C12
3812 D12
3813 D3
3814 D12
3815 B5
3816 D11
3817 D11
3818 D7
3819 D11
3820 D11
3821 E5
3822 E6
3823 B2
3824 F4
GND
A
IIS_SCLK
SD A
uP_FRAME
(TRAY_IN) Tray_I2C_SCL
3825 F4
3828 B2
3829 F10
3830 F11
3831 F8
3832 G10
3833 B4
3834 G9
3835 F8
3836 H5
3837 F7
3838 G9
3839 H4
D
FOCUS
GND_A
D
Tray_I2C_SCL
SILD
3840 G12
3841 G8
3843 G7
3844 G5
3845 G6
3846 G5
3847 G12
3848 H5
3850 F3
3852 I3
3853 I4
3858 A2
3859 A5
3860 A3
3861 A6
3862 A6
3863 A4
3864 A4
3865 A5
3866 B6
DRIVE DETECTION
D
to 5DTC CONTROL BOARD
D
#
D
SLIDE
GND
1%
(TRAY_OUT) uC_RESET
3867 A3
3868 A4
3869 B2
3870 E12
3871 E5
3872 E5
4800 H4
4801 H4
4802 H4
4803 H4
7800 B11
7801 G2
7802 I5
7804-1 A5
7804-2 A3
7806 G5
7807 H5
T-
10
for MCD2 use 4800 4803
7808 H5
F801 B3
F803 B12
F804 C7
F805 C12
F806 C12
F807 D13
F808 C4
F809 C12
F810 C4
F811 C4
F812 D4
F813 D4
F814 D4
F815 B6
F816 D5
F818 E2
F819 E5
F820 E6
D
Tray_I2C_SDA
D
A
SPDIF_GND
CD Drive
+12V
SICL
F821 E6
F822 E3
F823 E2
F824 E2
F825 F4
F826 F4
F827 F3
F828 F9
F829 D12
F830 D12
F831 F10
F832 F10
F833 G8
F834 G13
F835 G13
F836 G13
F837 G13
#
MCD2
DA12
STATUS
F838 H13
F839 H13
F840 H2
F841 H2
F842 H13
F843 H13
F844 H4
F845 H13
F846 H4
F847 H13
F848 H13
F849 I13
F850 I13
F851 I14
F852 C13
F853 C13
F854 D12
F855 D12
F856 D12
F857 G6
CD18_RESETn
uP_CLK
ESD sensitive line!
+5V
RA B
ICD03 / MP3 version
from 7804
CD18_RESETn
#
#
...for provision only
UL ICD03 Phonic MP3, 08032004
12
13
14
15
2
3
4
5
6
7
8
15FE-ST-VK-N
1
10
11
2839
100n
1801
F848
3837
F838
1K5
GNDA
F845
100R
3859
2805
F805
100p
40
VSSD1
61
VSSD2
69
VSSD3
43
WCLI
47
WCLK
VDDA2
VDDD1
41
63
VDDD2
70
VDDD3
8
VREF_OUT
5
VSSA1
17
VSSA2
20
VSSA3
TEST3
79
TEST4
71
V1
72
V2
73
V3
74
V4
75
V5
7
VDDA1
16
4
SENSE
59
SFSY
SILD
55
SL
66
56
STATUS
58
SUB
76
TEST1
77
TEST2
78
RESET
RKILL
35
60
SBSY
53
SCL
44
SCLI
48
SCLK
52
SDA
42
SDI
MOTO2
19
OSCIN
18
OSCOUT
13
R1
R2
14
RA
64
54
RAB
57
RCK
51
FO
6
IREF
LASER
80
34
LKILL
1
LPOWER
3
MONITOR
67
MOTO1
68
23
DAC_RP
22
DAC_VPOS
27
DAC_VREF
24
DATA
46
62
DOBM
45
EF
2
EXTFILTER
65
15
CSLICE
9
D1
D2
10
11
D3
D4
12
21
DAC_GND
DAC_LN
25
DAC_LP
26
DAC_RN
30
BUF_VPOS
28 38
CDT_CLK
37
CDT_DATA
CDT_RDY
36 39
CFLAG
49
CLK16
50
CLK4_12
7800
SAA7825H
33
BUF_GND
BUF_IN_L
3229
BUF_IN_R
BUF_OUT_L
31
BUF_OUT_R
470R
3810
3835
10K
470R
3807
F833
100n
2823
3848
2R2
22n
2814
F853
7807
BC857B
F835
F834
F843
16V
2835
470n
F849
4R7
3836
F851
3860
100R
F826
F824
10V100u
2802
2815
F823
470R
3816
1n
2807
1n5
4K7
3853
3847
22K
2836
470n
1n5
2806
GNDA
10R
3804
F803
2830
470R
3820
220p
F813
220p
2841
4K7
3852
F852
3871
22K
3861
1R0
3822
3813
33R
F808
GNDA
10
1928
9
20
14131211
1718 1516
8
21
29
30
23 5 6
24 2327 26
47
2225
4800
MM1469PH
7801
1
2838
100n
F829
220p
2842
6.3V220u
2824
100p
2809
4R7
470p
3815
470p
2832
2827
F812
3806
470R
22K
1K0
3823
100p
3864
2808
1K0
3809
7808
BC857B
12K
3865
6.3V
2819
GNDA
SPDIF_GND
7
8
9
220u
13
14
15
16
2
3
4
5
6
1800
16FNM-STK-A
1
10
11
12
3831
10K
F842
F827
12K
3841
1K
3866
2817
100n
12K
3824
F846
3868
12K
F825
470R
3808
F820
22K
3840
2825
10n
4803
2818
100n
F821
F818
470R
3829
F810
F830
2831
10u 50V
F819
3845
470R
3817
470R
3838
1K
15K
3825
7806
BC847B
F807
100n
2813
F815
F840
12K
3872
F839
15R
3832
3843
2K2
F831
100n
2845
2812
33p
4802
2811
33p
F856
50V10u
2828
2810
100n
F837
SPDIF_GND
F828
47n
2850
3867
12K
2801
47n
GNDA
F816
1K5
3833
GNDA
100R
3869
3814
470R
F804
GNDA
F854
F806
8
F809
FMN
1805
1
2
3
4
5
6
7
470R
3811
2840
100n
27p
2816
7802
L7808
2
1
3
4801
100R
3834
3839
220R
1K5
3828
8M467
GNDA
CSTLS
1810
100R
3830
2834
470n 10V
3819
470R
GNDA
4K7
3812
F841
47K
3870
2843
220p
2837
220n
F847
F844
F814
3805
470R
10R
3803
1u0
2829
F801
3
4
5
6
7
8
9
FMN
1
10
11
12
13
14
15
16
17
18
19
2
3863
1803
F811
22K
7
84
LM358D
7804-2
5
6
GNDA
3846
47R
GNDA
10K
2844
10n
3844
F832
GNDA
F855
2821
47n
22K
3818
2833
F822
6n8
3862
22K
2804
220u 6.3V
3
2
1
84
GNDA
7804-1
LM358D
F850
3821
4R7
2820
100n
GNDA
3850
18K
SPDIF_GND
F857
3858
1K5
220u
2803
6.3V
+12V
+12V
Vref_OPU
F836
+3.3V
DSP_CLK
DSP_DATA
+5V
+3.3V
Vref
FO
Vref
+1.8V
+3.3V
Vref_OPAMP
+3.3V
+ANALOG
VCC_OPAMP
+12V
+3.3V
+5V
+5V
+3.3V
+ANALOG
Vref_OPU
RA
DSP_CLK
DSP_DATA
DSP_FRAME
SPDIF
CD18_RESETn
SILD
RAB
SICL
+5V
CD18_RESETn
IIS_WCLK
IIS_SCLK
MONITOR
LASER
+3.3V
DACRIGHT
DACLEFT
SPDIF
+8V
+8V
+3.3V
+1.8V
+3.3V
SDA
STATUS
IIS_SCLK
IIS_WCLK
AU_IIS_DATA
CD_IIS_DATA
Vref
CD_IIS_DATA
CD18_RESETn
SDA
SICL
RAB
SILD
STATUS
AU_IIS_DATA
+3.3V
DACRIGHT
DACLEFT
DSP_FRAME
+12V
+3.3V
SL
Vref
+3.3V
1
1
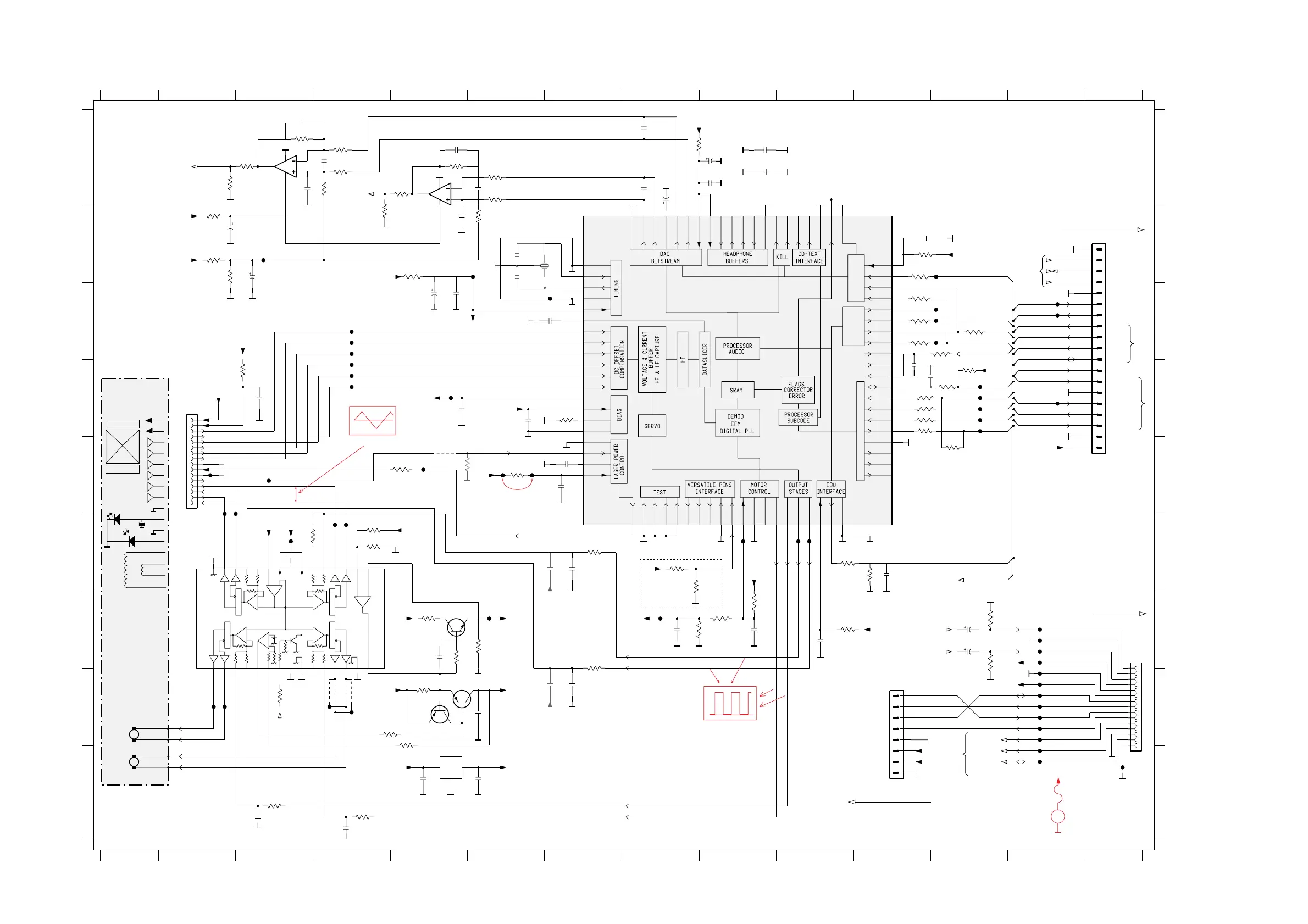
CONTROL INTERFACE
MP3 MODULE - CD18
AUDIO DATA INTERFACE
CD18 -MP3 MODULE
MICRO CONTROLLER INTERFACE
SERIAL DATA
LOOPBACK INTERFACE
SERIAL DATA
INTERFACE
1.3V
4.8V
3.2V
3.2V
1.8V
3.2V
1.6V
(mV = mA)
LASER CURRENT
max 80mA (DA12)
max 60mA (MCD2)
during Focus search
T = 1 s
4.8V
4.1V
3V
0V
V
DC voltages and waveforms
measured in PLAY mode
V....
3.1V
+5V
+12V
1.6V
150mV CD DA
180mV CD RW

Table of Contents

Related product manuals