EasyManua.ls Logo

Philips MRV640 - 9.3 Analog board Europe

Philips MRV640
151 pages
Print Icon
To Next Page IconTo Next Page
To Next Page IconTo Next Page
To Previous Page IconTo Previous Page
To Previous Page IconTo Previous Page
Loading...
Circuit-, IC descriptions and list of abbreviations
EN 114 DVDR615, MRV6409.
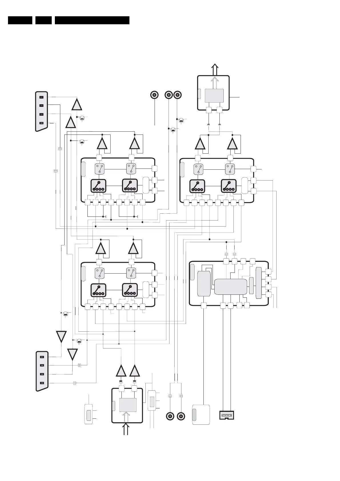
9.3.4 Audio routing
Audio IO Europa Overview
11.03.2002 Vers.
0
Scart2
6
3
2
1
AudInL
AudInR
AudOutL
AudOutR
6
3
2
1
AudInL
AudInR
AudOutL
AudOutR
Scart1
Tuner
SIF1
DVAR
DVAL
DVIN
OUT2L
OUT2R
OUT2R
OUT2L
AKILL
AKILL
AKILL
AKILL
OUT1L
OUT1R
OUT1R
OUT1L
AFER
AFER
AINFR
AINFL
AINFR
AINFL
RSA1
RSA2
from IOV
ARDAC
ALDAC
AIN2R
AIN2L
AIN1R
AIN1L
AIN1R
AIN1L
ARDAC
AFER
AFEL
AFEL
AFEL
AIN2L
AIN2R
SIF1
DVAR
SDA
SCL
VSA1
VSA2
ASC1S
from IOV
ARDAC
ALDAC
DAC_MUTE
DAC_MUTE
ALDAC
Dig.Audio Out
from dig. board
AL
AR
DVAL
3
UDA1360
ADC
A_DATA
to dig. board
1
ARADC
ALADC
16
UDA1334
DAC
VOR
VOL
14
ARDAC
ALDAC
D_DATA
from dig. board
LH
Logic
1
3
5
1
109
LL
HL
MSB LSB
HEF4052
2
5
12
L
H
L
H
HH
LH
LL
HL
HH
3
4
15
14
11
13
1
6
MSB/LSB
POS.7503
LH
Logic
1
3
5
1
109
LL
HL
MSB LSB
HEF4052
2
5
12
L
H
L
H
HH
LH
LL
HL
HH
3
4
15
14
11
13
1
6
MSB/LSB
POS.7501
MSP34XX
2
I2C Control
8
9
12
13
26
27
31
30
37
38
41
40
Q.Peak Det
Source select
Demodulator
DACM_L
DACM_R
SC1_OUT_L
SC1_OUT_R
POS.7600
+6dB
+6dB
0dB
0dB
LH
Logic
1
3
5
1
109
LL
HL
MSB LSB
HEF4052
2
5
12
L
H
L
H
HH
LH
LL
HL
HH
3
4
15
14
11
13
1
6
MSB/LSB
POS.7504
IASC1M
from IOV
0dB
0dB
0dB
0dB
PWONSW
MUTE
D_DATA0
ION
KILL DIKILL
IPFAIL
DAC_MUTE
MUTE
KILL
IPFAIL
AKILL
-2dB
-2dB
-2dB
-2dB
TR 01055_001
170502

Related product manuals