EasyManua.ls Logo

Philips MRV640 - Analog Board: Frontend Video (FV)

Philips MRV640
151 pages
Print Icon
To Next Page IconTo Next Page
To Next Page IconTo Next Page
To Previous Page IconTo Previous Page
To Previous Page IconTo Previous Page
Loading...
EN 82DVDR615, MRV640 7.
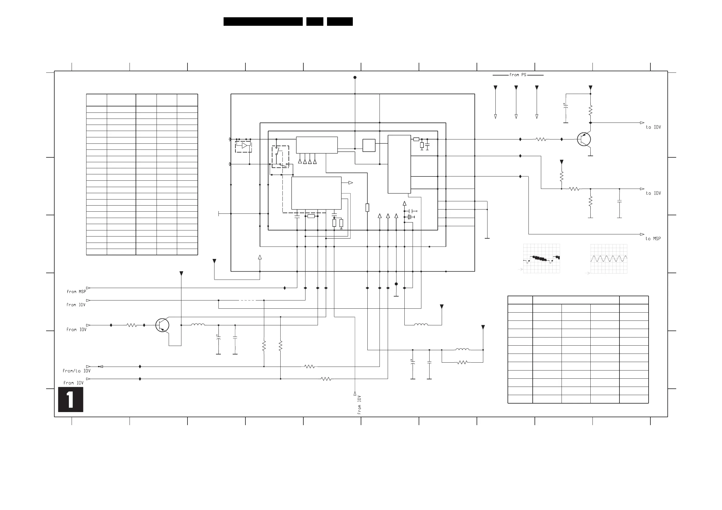
Circuit Diagrams and PWB Layouts
Analog Board: Frontend Video (FV)
+B
AGC
NC
NC
NC
CH_SW
CONTROL
TUNER
IF
SDA
ADR
DEMODULATOR
RF MODULATOR
NC
SAW
SCL
AGC
IF_
CONTROL
TUNER
IF
AGC
IF_
SCL
SDA
ADR
DEMODULATOR
RF MODULATOR
+B
AGC
SAW
CH_SW
*
RF-OUT
SAW
*
AGC
IF_
+B
SCL
AGC
ADR
SDA
TUNER
RF MODULATOR
DEMODULATOR
SCL
*
**
*
MD_TU
**
*
IF
*
*
*
SDA
RF-IN
1700
9
10
3
3
3710
SIF OUT
1
*
1701 A4
7
11
12
D
C
B
A
not used
APAC
11
*
7
MOD ON/OFF
I705
14
A
DESCRIPTION
3
4
3710 D2
3701 B9
3702 B9
VIDEO IN
4700
* VERSION TABLE
2
X
2
2704 E7
ALL OTHERS
9
AS
3702
I706 D4
150K
150K 150K
not used not used
4
2700 B10
3705
LAYOUT
8
*
1700
I700 A9
+B
6
+BB
23
9
RF AGC
1
SAMSUNG
2
NAFTA
910
CH 3/4
19
X
not used
I701 A8
I702 A8
I703 B8
7700 A9
7701 D2
I705 D4
F701 D6
*
Ref Des
234
6
4
100K
not used
X
2702 E3
21
NTSC
100K
*
PIN
N.C.
SW1
N.C.
8
I709 D5
I711 D6
I712 D6
I713 D6
I714 D6
10
not used
18
I717 A9
SAMSUNG
14
X
X
3701
20
14
5702 E7
19
16
F700 A5
16
100K
15
3
4
8
16
12
18
I707 E2
58
7
2701 E3
not used
*
PIN TABLE
1702 A4
+B
N.C.
TU
13
IF OUT
5
1701
AUDIO OUT
5
NAFTA
1701
not used
I715 D1
I716 E2 I718 D2
14
15
2
E
1700 A3
AFT
X
S. KOREA
16
11
*
X
15
3703 B9
13
6
*
1702
3704
9
*
APAC
*
6
*
5
+B MOD
X
X
NAFTA
not used
13
10
*
not used
E
17
22
3708 E7
78
20
21
SCL
18
VIDEO OUT
not used
20
2703 E6
7701
8
3704 E4
TAIWAN
*
3
5
X
17
not used
5700 D7 I708 D5
*
10
13
1
2707 A9
not used
X
4700 D4
12
not used
1
7
15
D
10
APAC
SDA
N.C.
not used
GND
6
1702
3709 A9
9
24
4
19
5
3707 E5
67
11
1
12
17
not used
3705 E4
3706 E5
B
C
3700 A9
*
AUDIO IN
5701 D3
X
X
SANYO
1R0
3705
23
MT2
MT3
24
25
MT4
13
NC
NC_1
15
SCL
9
SDA
10
SIF_OUT
18
VID_IN
5
VID_OUT
20
AFT
19
6
AGC
AS
8
AUD_IN
1
AUD_OUT
17
BP
12
11
BP_1
14
BT
2
CH_SW
7
GND
16
IF_OUT
3
MB
4
MOD_ON_OFF
22
MT1
1701TCMN0682PA13F1(NTSC)
I713
I702
I709
14
16
8
6
1011
19
5
21
330R
3700
20
7
91
18
1315
2
34
22
23
24
25
GND
1702
115-V-DO25AH
2707
47u
1R0
3706
I706
F701
GND
I703
2700
33n
33VSTBY
I707
GND
GND
5SW
2703
4u7
I711
GND
I716
5VSTBY
GND
2704
10n
1R0
3704
5SW
5SW
10n
2702
I701
GND
5SW
F700
I700
5SW
100R
3709
24
MT3
MT4
25
NC
10
13
NC_1
NC_2
4
2
NC_3
6
SCL
7
SDA
15
SIF_OUT
SW1
12
TU
9
VID_OUT
17
TCPK0601PD13F(PAL)1700
+BB
1
16
AFT
AGC
3
5
AS
AUD_OUT
14
BP
8
IF_OUT
11
MT1
22
MT2
23
7701
BC857BW
BC857BW
7700
GND
GND
6u8
5701
10u
5700
220R
3708
5702
6u8
I714
100K
3702
GND
I712
GND
I717
150K
3701
3710
4K7
1R0
3707
4u7
2701
I715
47K
3703
33VSTBY
4700
5VSTBY
I718
SIF1
D_CVBS
I708
MSW
CSW_SSW
AMCO
5SW 33VSTBY
SCLSW
SDASW
VFV
AFC
5VSTBY
0.9V
2.3V
3.4V
0.9V
1.6V
A: DC, 500mV/Div
A: DC, 500mV/Div
10us/Div
10us/Div
VID_OUT I701
VID_OUT I701
A: DC, 500mV/Div
A: DC, 500mV/Div
200us/Div
200us/Div
AMCO I705
AMCO I705
TR 06024_001
030203

Related product manuals