EasyManua.ls Logo

Philips MRV640 - 9.4.2 Audio routing

Philips MRV640
151 pages
Print Icon
To Next Page IconTo Next Page
To Next Page IconTo Next Page
To Previous Page IconTo Previous Page
To Previous Page IconTo Previous Page
Loading...
Circuit-, IC descriptions and list of abbreviations
EN 119DVDR615, MRV640 9.
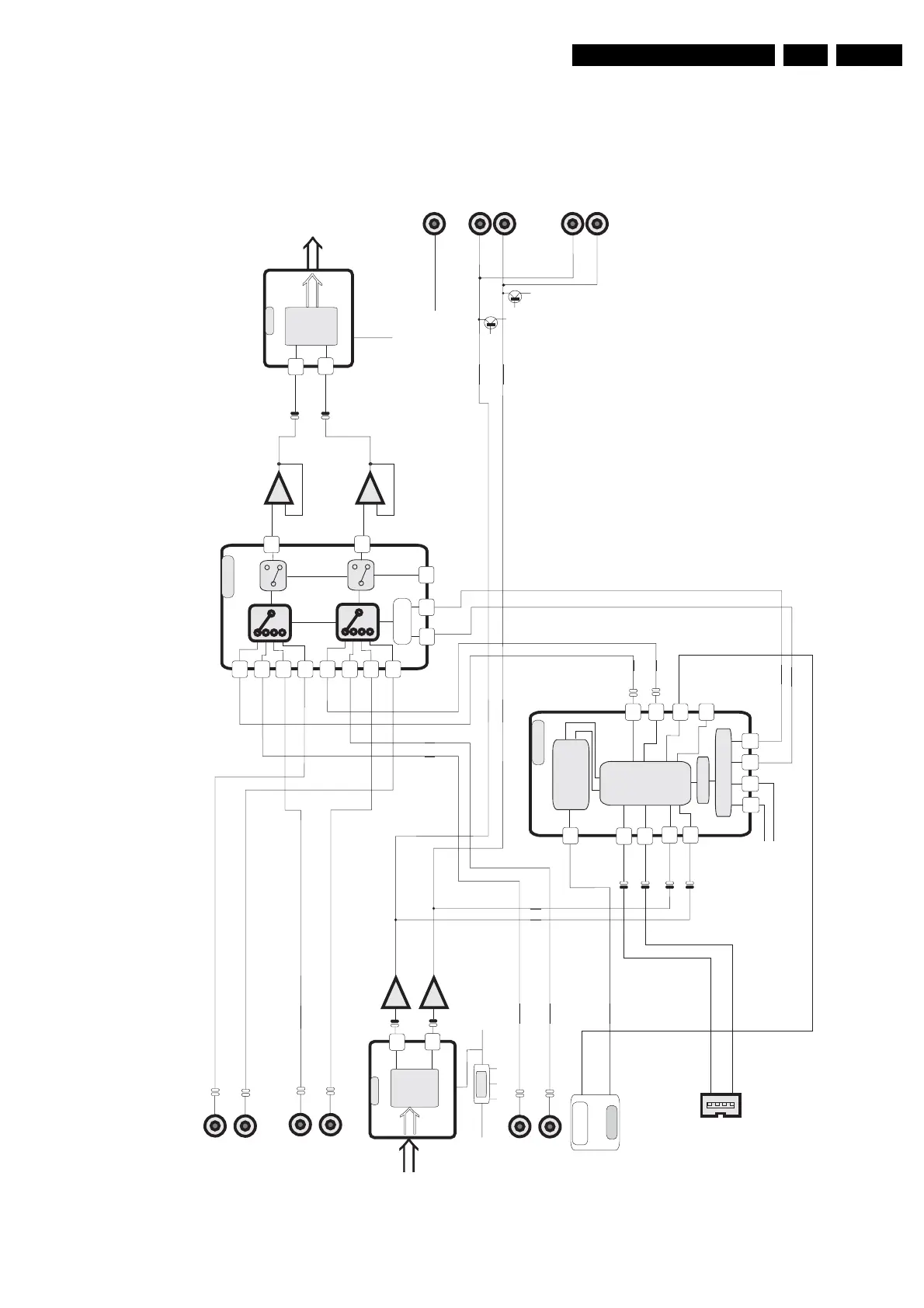
9.4.2 Audio routing
Figure 9-2
Audio IO NAFTA / APAC Overview
12.03.2002 Vers. 05
16
UDA1334
DAC
VOR
VOL
D_DATA
from dig. board
14
ARDAC
ALDAC
Tuner
SIF1
AFER
AINFL
AINFR
AIN2L
AIN2R
RSA1
RSA2
AINFL
AINFR
AFEL
AFER
AIN1L
AIN1R
AFEL
AIN2L
SIF1
SDA
SCL
ARDAC
ALDAC
AKILL
AKILL
Dig.Audio Out
from dig. board
AL
AR
Modulator *
Rear IN 2
AIN2R
AIN1R
AIN1L
Rear Out 2
AL
AR
DVAR
DVAL
AMCO
3
UDA1360
ADC
A_DATA
to dig. board
1
ARADC
ALADC
(Y/UV)
(CVBS / YC)
Rear IN 1
* NAFTA only
Rear Out 1
(Y/UV)
(CVBS / YC)
MSP34XX
2
I2C Control
8
9
12
13
26
27
31
30
37
38
41
40
Q.Peak Det
Source select
Demodulator
DACM_L
DACM_R
SC1_OUT_L
SC1_OUT_R
LH
Logic
1
3
5
1
109
LL
HL
MSB LSB
HEF4052
2
5
12
L
H
L
H
HH
LH
LL
HL
HH
3
4
15
14
11
13
1
6
MSB/LSB
POS.7501
DVAR
DVAL
DVIN
APAC only
+6dB
0dB
+6dB
0dB
ARDAC
ALDAC
PWONSW
MUTE
D_DATA0
KILL
DIKILL
IPFAIL
AKILL
TR 01057_001
170502

Related product manuals