EasyManua.ls Logo

Philips MRV640 - Page 121

Philips MRV640
151 pages
Print Icon
To Next Page IconTo Next Page
To Next Page IconTo Next Page
To Previous Page IconTo Previous Page
To Previous Page IconTo Previous Page
Loading...
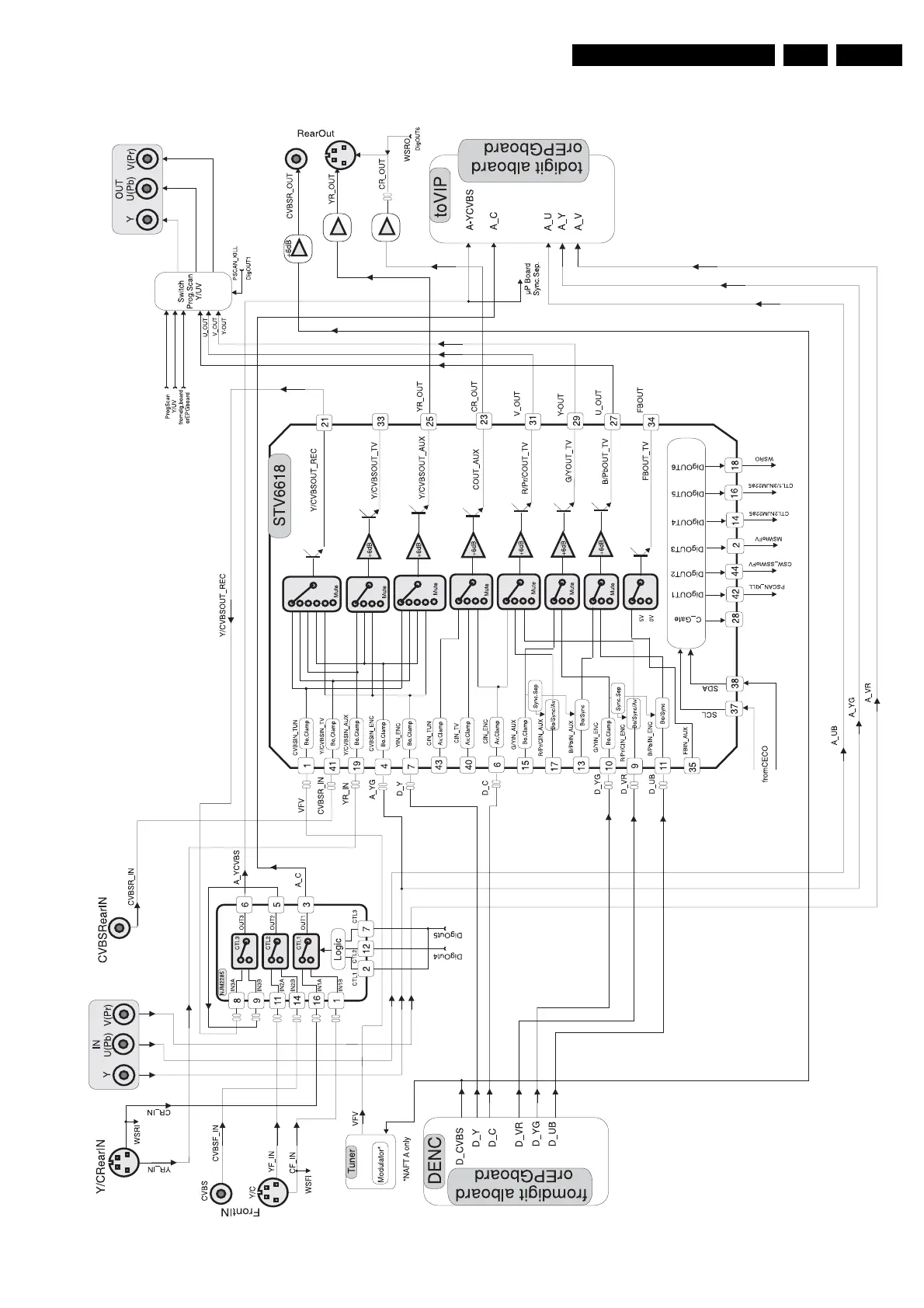
Circuit-, IC descriptions and list of abbreviations
EN 121DVDR615, MRV640 9.
9.4.4 Video-routing
Figure 9-3
Video IO Nafta

Related product manuals