EasyManua.ls Logo

Philips MX3550D/37S - Page 12

Philips MX3550D/37S
63 pages
Print Icon
To Next Page IconTo Next Page
To Next Page IconTo Next Page
To Previous Page IconTo Previous Page
To Previous Page IconTo Previous Page
Loading...
4-1
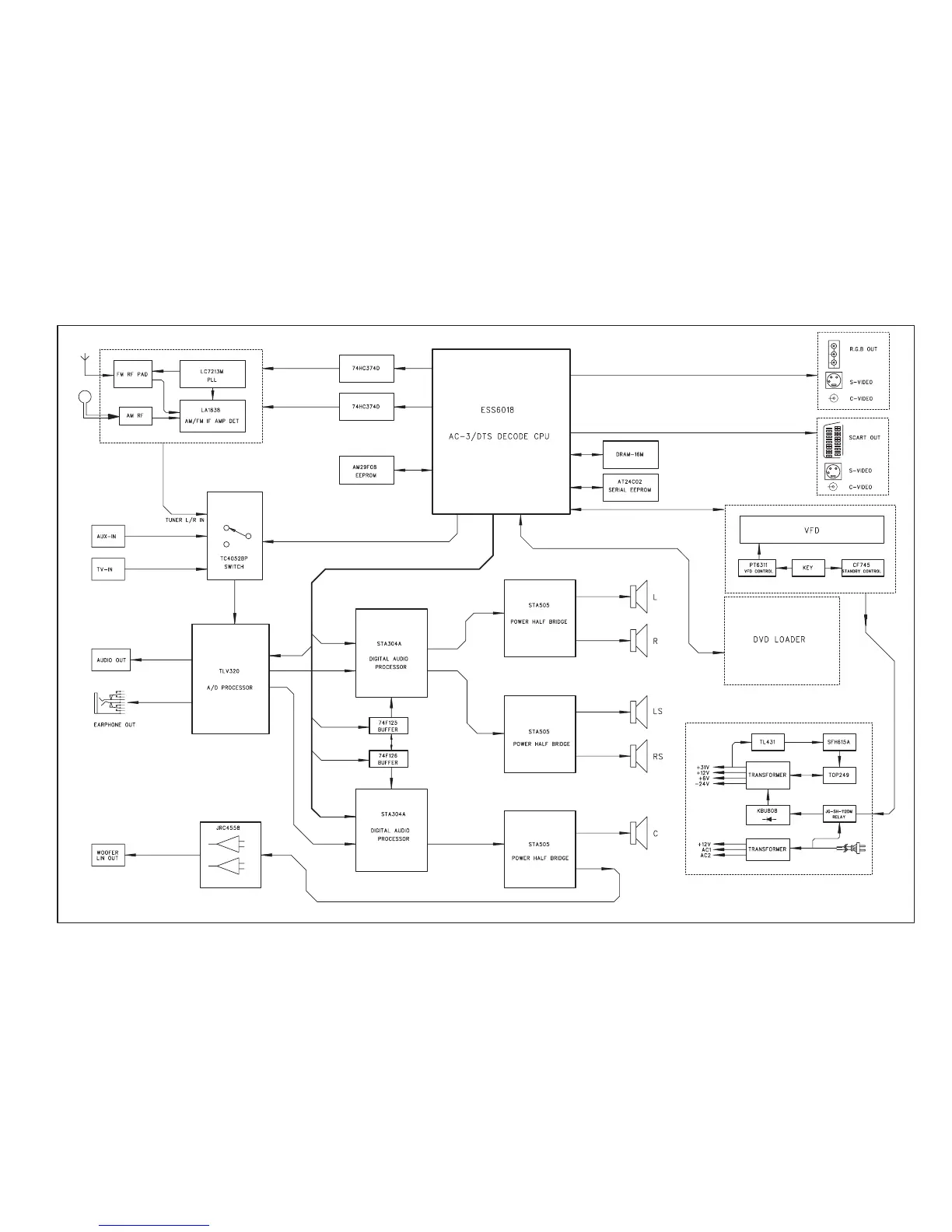
BLOCK DIAGRAM
4-1
For /37 and /37S only
For /22S only

Related product manuals