EasyManua.ls Logo

Philips SPA5250B - Page 3

Philips SPA5250B
10 pages
Print Icon
To Next Page IconTo Next Page
To Next Page IconTo Next Page
To Previous Page IconTo Previous Page
To Previous Page IconTo Previous Page
Loading...
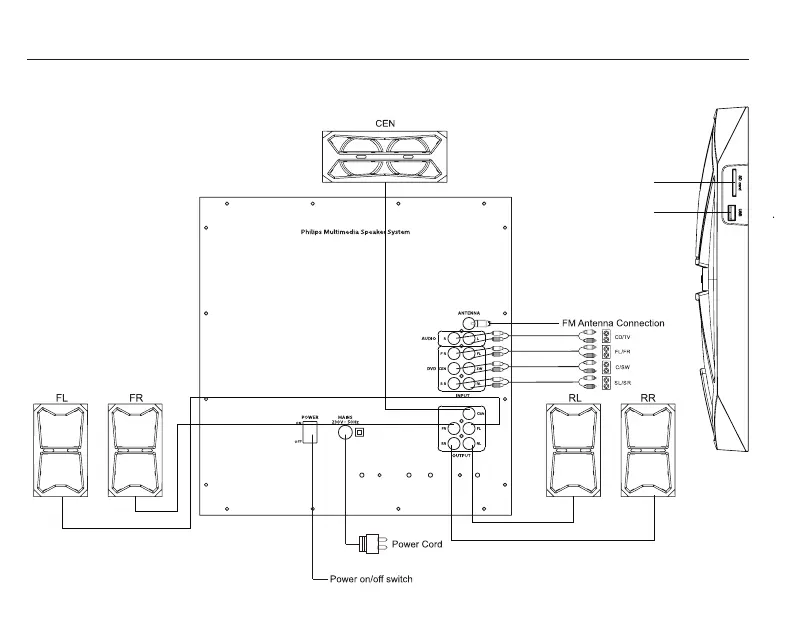
Connections
Subwoofer Back panel
3
Side panel
USB Slot
SD card Slot

Related product manuals