EasyManua.ls Logo

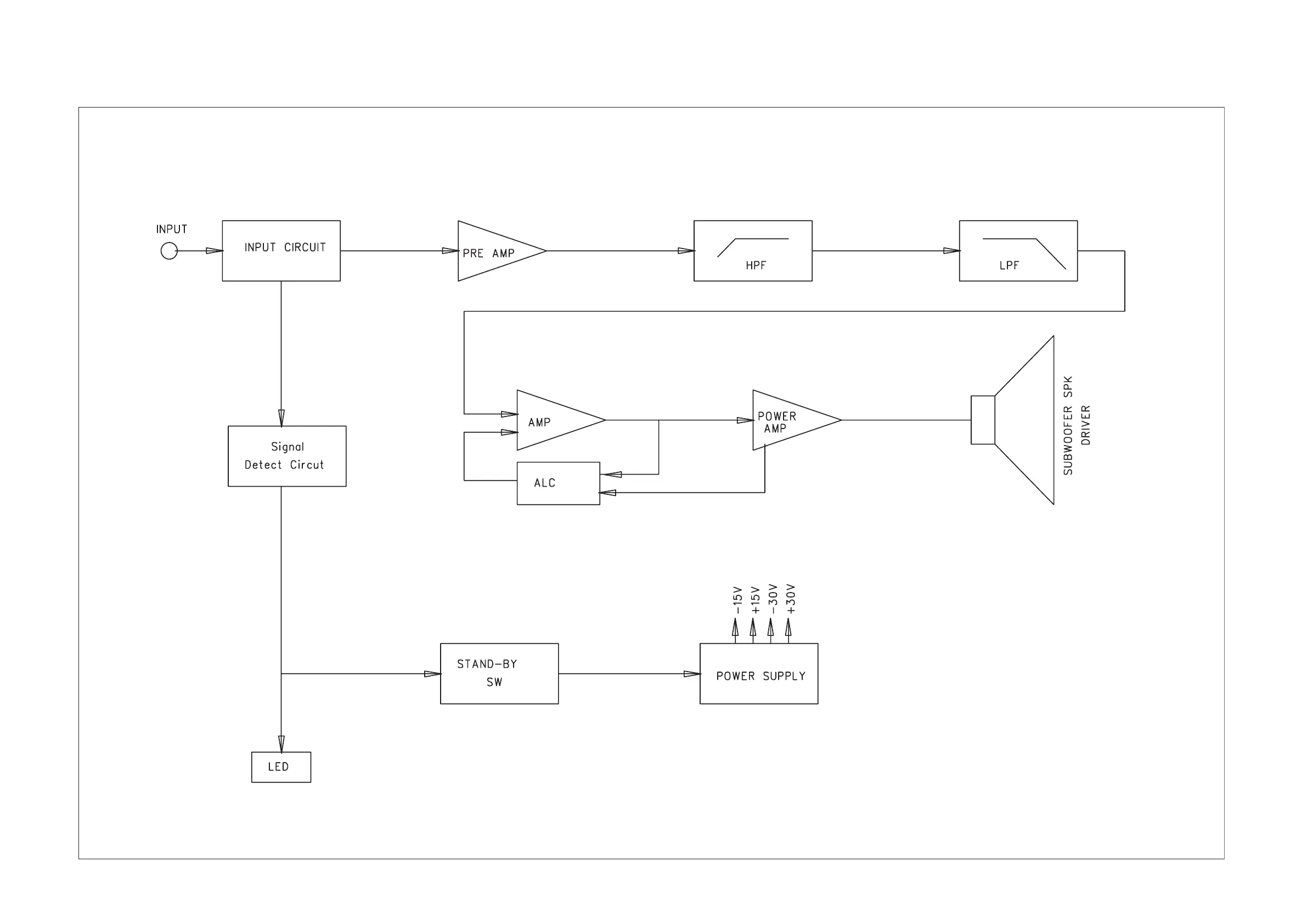
Philips SW7100SA - Block Diagram

Philips SW7100SA
17 pages
Print Icon
To Next Page IconTo Next Page
To Next Page IconTo Next Page
To Previous Page IconTo Previous Page
To Previous Page IconTo Previous Page
Loading...
3-1
3-1
BLOCK DIAGRAM

Related product manuals