EasyManua.ls Logo

Philips SW966 - Page 12

Philips SW966
16 pages
Print Icon
To Next Page IconTo Next Page
To Next Page IconTo Next Page
To Previous Page IconTo Previous Page
To Previous Page IconTo Previous Page
Loading...
SW301
JK301
G
TP403
TP402
LVA0031C021
LVA0031C011
TP401
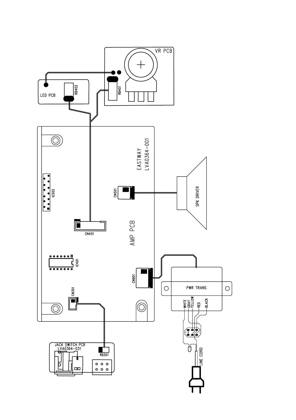
WIRING DIAGRAM
4
www.freeservicemanuals.info

Related product manuals