EasyManua.ls Logo

Philips TDA2616 - Page 8

Philips TDA2616
12 pages
Print Icon
To Next Page IconTo Next Page
To Next Page IconTo Next Page
To Previous Page IconTo Previous Page
To Previous Page IconTo Previous Page
Loading...
July 1994 8
Philips Semiconductors Product specification
2 x 12 W hi-fi audio power amplifiers with
mute
TDA2616/TDA2616Q
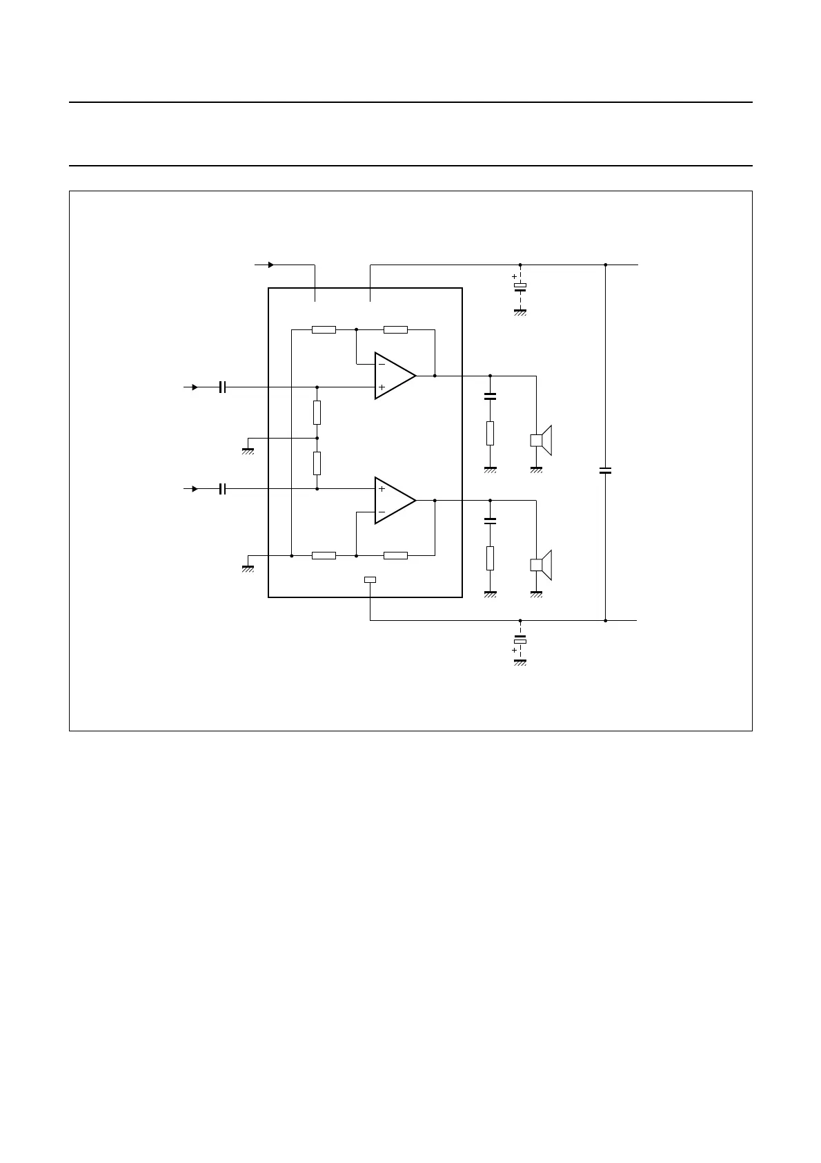
Fig.4 Test and application circuit with symmetrical power supply.
handbook, full pagewidth
2200 µF
72
mute input
P
+ V
5
TDA2616
MCD374 - 3
100 nF
6
20 k
8
20 k680
220 nF
9
R = 8
L
22 nF
8.2
I
V
P
– V
3
R = 8
L
22 nF
8.2
4
20 k
220 nF
1
I
V
20 k680
2200 µF

Related product manuals