EasyManua.ls Logo

Philips TDA2616 - Page 9

Philips TDA2616
12 pages
Print Icon
To Next Page IconTo Next Page
To Next Page IconTo Next Page
To Previous Page IconTo Previous Page
To Previous Page IconTo Previous Page
Loading...
July 1994 9
Philips Semiconductors Product specification
2 x 12 W hi-fi audio power amplifiers with
mute
TDA2616/TDA2616Q
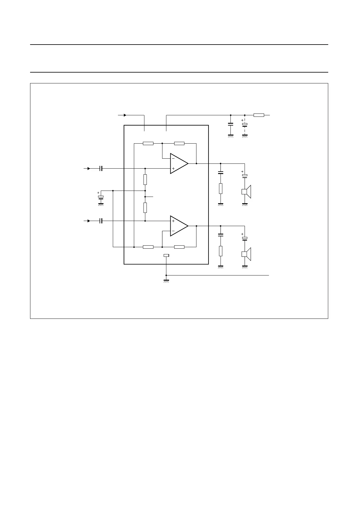
Fig.5 Test and application circuit with asymmetrical power supply.
handbook, full pagewidth
6
20 k
5
8
3
MCD373 - 2
20 k680
9
R = 8
L
22 nF
680 µF
8.2
100 nF
2200 µF
72
mute input
S
V
S
R
P
V
2
4
20 k
1
220 nF
100 µF
I
V
220 nF
I
V
20 k680
P
1/2 V
internal
R = 8
L
22 nF
680 µF
8.2
TDA2616

Related product manuals