EasyManua.ls Logo

Philips TDA7057AQ - Block Diagram

Philips TDA7057AQ
16 pages
Print Icon
To Next Page IconTo Next Page
To Next Page IconTo Next Page
To Previous Page IconTo Previous Page
To Previous Page IconTo Previous Page
Loading...
1998 Apr 07 3
Philips Semiconductors Product specification
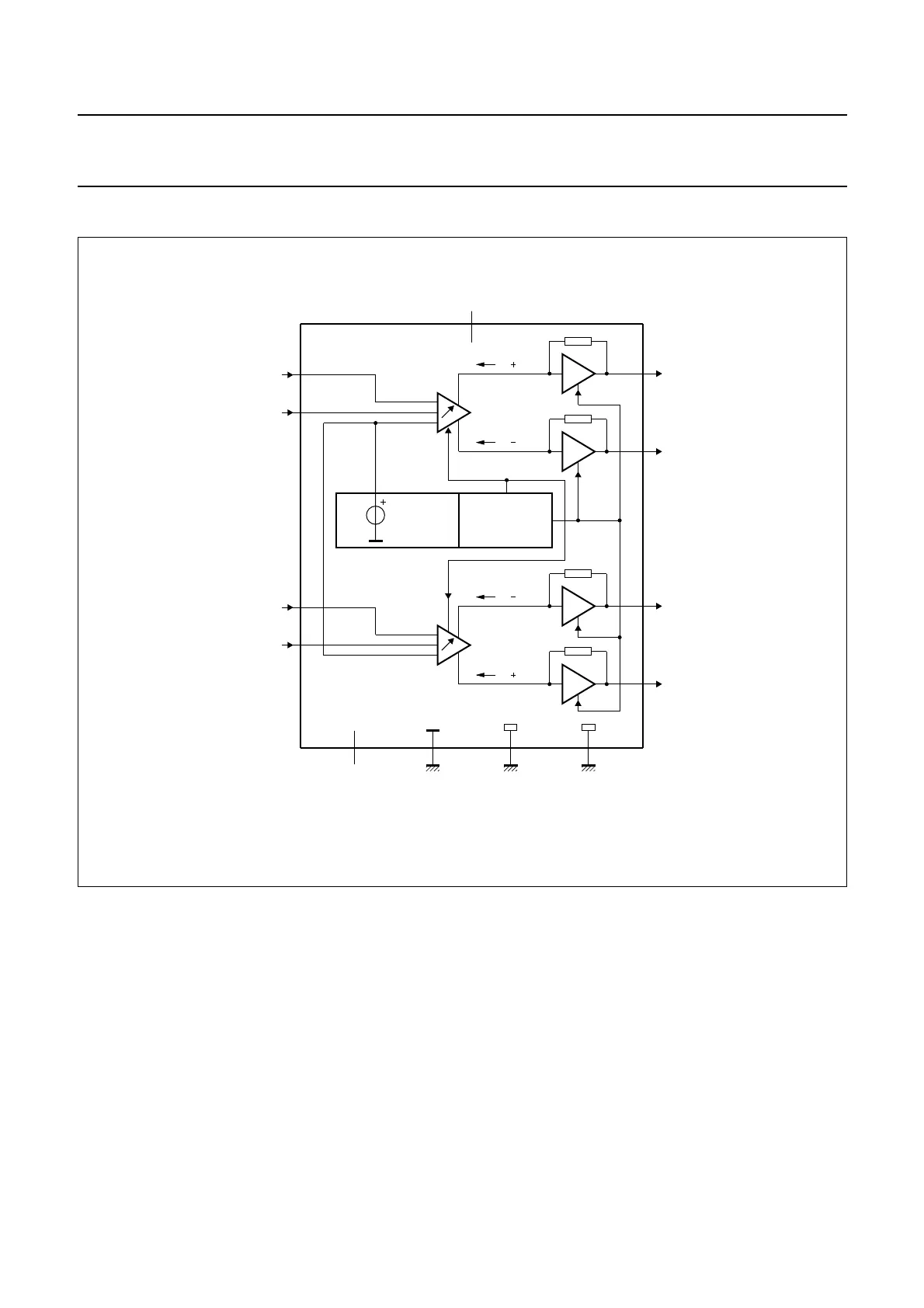
2 × 8 W stereo BTL audio output amplifier
with DC volume control
TDA7057AQ
BLOCK DIAGRAM
Fig.1 Block diagram.
handbook, full pagewidth
MSA714
I i
I i
Ι
STABILIZER
TEMPERATURE
PROTECTION
V
ref
11
1
3
13
I i
I i
ΙΙ
8
7
5
10
12
power
ground 1
9
power
ground 2
6
signal
ground
2
not
connected
input 1
DC volume
control 1
input 2
DC volume
control 2
TDA7057AQ
4
V
P
positive
output 1
negative
output 1
negative
output 2
positive
output 2

Related product manuals