EasyManua.ls Logo

Philips UM10155 - Circuit Diagram

Philips UM10155
12 pages
Print Icon
To Next Page IconTo Next Page
To Next Page IconTo Next Page
To Previous Page IconTo Previous Page
To Previous Page IconTo Previous Page
Loading...
xxxx xxxxxxxxxxxxxxxxxxxxxxxxxxxxxx x xxxxxxxxxxxxxx xxxxxxxxxx xxx xxxxxx xxxxxxxxxxxxxxxxxxxxxxx xxxxxxxxxxxxxxxxxxxxxx
xxxxx xxxxxx xx xxxxxxxxxxxxxxxxxxxxxxxxxxxxx xxxxxxxxxxxxxxxxxxxxxx xxxxxxxxxxx xxxxxxx xxxxxxxxxxxxxxxxxxx
xxxxxxxxxxxxxxxx xxxxxxxxxxxxxx xxxxxx xx xxxxxxxxxxxxxxxxxxxxxxxxxxxxxxxx xxxxxxxxxxxxxxxxxxxxxxxx xxxxxxx
xxxxxxxxxxxxxxxxxxxxxxxxxxxxxxxxxxxxxxxxxxxxxx xxxxxxxxxxx xxxxx x x
UM10155_2 © Koninklijke Philips Electronics N.V. 2006. All rights reserved.
User manual Rev. 02 — 5 September 2006 4 of 12
Philips Semiconductors
UM10155
Discrete Class D High Power Audio Amplifier
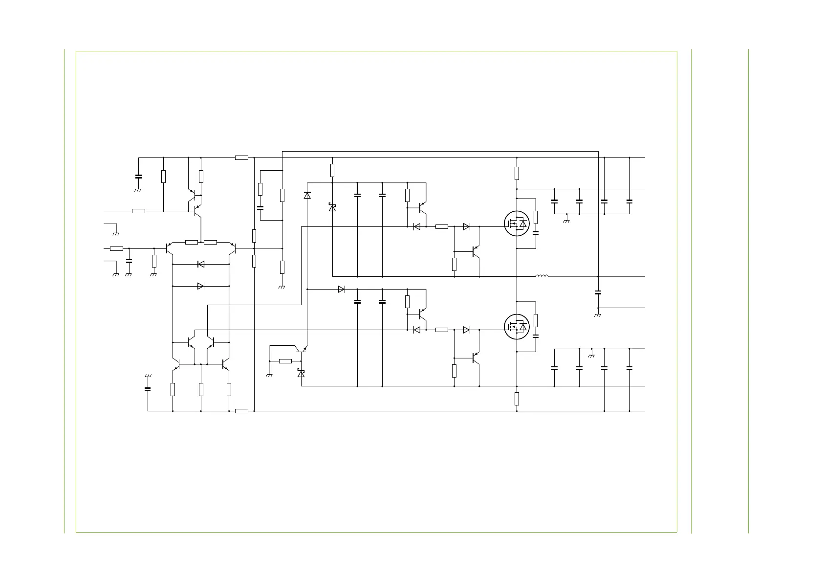
2. Circuit diagram
Fig 2. Circuit diagram
001aaf149
47
C3
100 nF
C1
4.7 nF
C12
100 nF
C11
22 µF
C15
680 nF
C16
100 nF
C17
1000 µF
C13
100 nF
C14
22 µF
C18
100 nF
C19
1000 µF
C6
100 nF
C5
100 µF
C2
100 nF
C9
100 pF
C4
220 pF
R3
560
R1
47 k
R5
10
R29
10
R28
R8
220
R7
220
R6
47 k
R11
1 k
R13
2.2 k
R12
22 k
R14
5.6 M
R15
3.9 M
R9
330
R8
1 k
R18
390
R24
10
R26
0.05
R25
0.05
R16
4.7 k
R2
1 k
R10
220
Q1
Q7
Q6
Q2
Q8
Q5
D1
1PS76SB10
D2
1PS76SB10
BF820
BC847
BF820
BF821
Q4
BF721
Q12
PBSS5140T
Q10
BC857
BF821
Q14
D11
BAS316
D7
BAS321
D9
1PS76SB10
D8
PDZ12B
D6
BAS321
R20
27
PHP18NQ11T
Q3
BC857
BC847
47
R4
J2
J10
J11
J7
J8
J9
J5
J6
J1
J4
J3
C8
100 nF
C7
100 µF
C10
100 pF
R21
1 k
R17
390
R23
10
Q11
PBSS5140T
Q9
BC857
Q15
BF720
Q13
D12
BAS316
D10
1PS76SB10
D5
PDZ12B
R19
27
L1
28 µH
R27
8.2 k
PHP18NQ11T

Related product manuals