EasyManua.ls Logo

Philips vr530 - Deck Mechanism View 2

Philips vr530
64 pages
Print Icon
To Next Page IconTo Next Page
To Next Page IconTo Next Page
To Previous Page IconTo Previous Page
To Previous Page IconTo Previous Page
Loading...
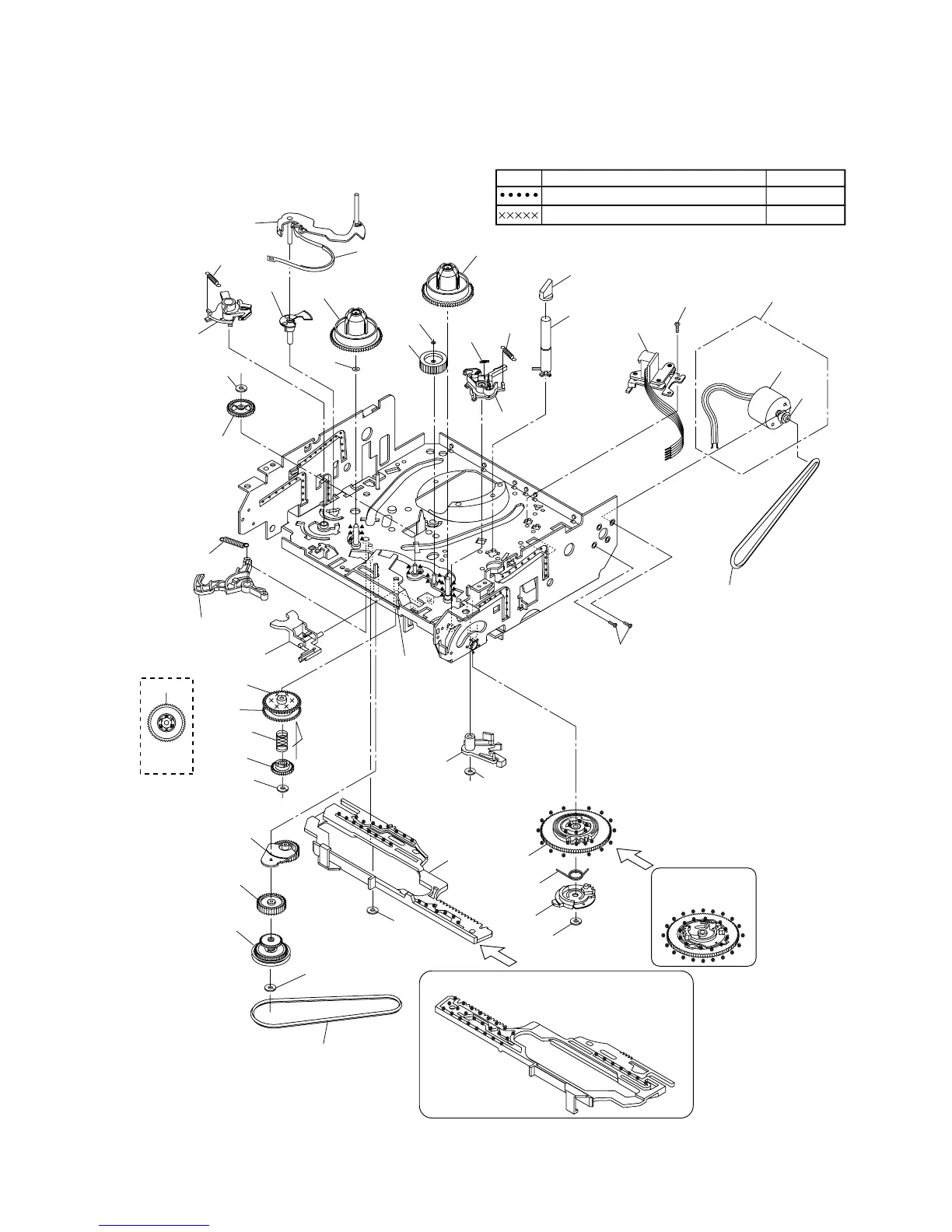
2-5-2 HC265DEX
[ ALL MODEL ]
Deck Mechanism View 2
Some Ref. Numbers are not in sequence.
Mark Description
Part No.
Floil G-374G
0VZZ00109(Blue grease)
SANKOUL FG84M
0VZZ00062(Yellow grease)
Bottom Side
(Grease point)
B569
B513
B502
B570
B491
B565
L1151
B525
B522
B31
L1406
B148
B521
B520
B416
B518
B564
B487
B573
B574
B499
B27
B508
B414
B505
B572
B558
B557
B568
B417
B585
B3
B551
Bottom Side (Grease point)
B516
B559
B52
B507
B488
B133
B584
B581
B583
B580
B582
A
View
for A
B578
B579
B579

Other manuals for Philips vr530

Related product manuals