EasyManua.ls Logo

Phonic AM220 - Page 26

Phonic AM220
28 pages
Print Icon
To Next Page IconTo Next Page
To Next Page IconTo Next Page
To Previous Page IconTo Previous Page
To Previous Page IconTo Previous Page
Loading...
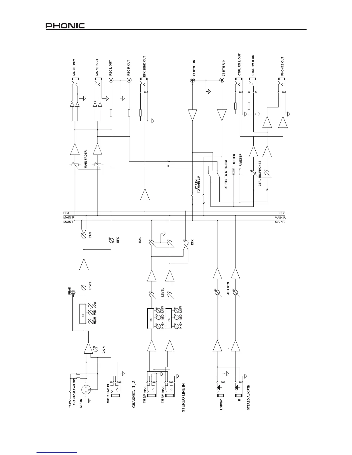
26 AM120 MKII / AM220
AM220

Related product manuals