EasyManua.ls Logo

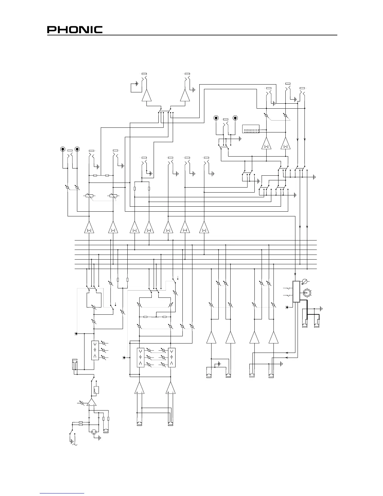
Phonic POWERPOD 820 - Phonic Powerpod 820 Block Diagram

Phonic POWERPOD 820
29 pages
Print Icon
To Next Page IconTo Next Page
To Next Page IconTo Next Page
To Previous Page IconTo Previous Page
To Previous Page IconTo Previous Page
Loading...
4
Powerpod 820
BLOCK
XI
M
NI
A
M
XIM TLA
AUX1 L
XIM 2XUA
ALT 4
XIM
1XU
A
MAIN R
AUX2
MAIN L
ALT 3
AP
AP
TCELES
AUX1 R
4
_
1LE
N
N
AH
C
O
N
O
M
8
_
5
LE
N
N
A
H
C
OE
R
ETS
)
Y
LNO
2
,
1
H
C
(
L MR_LRTC
R MR_LRTC
)R+L
(
NIAM
1 X
U
A
L NIAM
R
NIAM
0
0
0
0
00
0
0
0
0
0
0
0
0
0
0
0
0
0
LEVE
L
1XUA
O
T
M
I
RT
R NTR T2
XIM ERUOS
B
N
I
C
I
M
23
1
M
A
RGORP
)
8/
6(
R
N
I
E
N
I
L
1XUA
RE
DAF NIAM
R/
L
NIA
M
W
OL
D
IM
)
4/3
T
LA(ETUM
XIMBUS
4/3 TLA
1N
TR
XU
A
)
O
N
O
M
(
L
H
G
IH
PSD
T
IB
42
A
DH
K
A
E
P
R
EWO
P
MO
T
NA
H
P
)H
CTIWS L
A
B
OL
G
(
L
TU
O
CER
R MR
LR
TC
2N
TR
X
UA
L
OLD
I
M
IH
0
8K2
1
K5
.
2
QE
TUO 3T
L
A
TUO 4TLA
1NTR
RETEMARAP
R
1XUA
A
2XU
A
OL
D
IMIH
08
K
21
K5.2
zH
5
7
F
P
H
T
U
C
W
OL
R NIAM
NO
2NTR
F
F
O/NO
TCE
FF
E
YALE
D
P
A
T
)
7/
5
(
L
TUO
CER
IN
IM
E
T
U
M
/
K
AEP
4+
7+
0
2+
02-
01-
7-
2-
4-
KAEP
V577.0=uBd
0
NA
P
.TS INIM
2XUA
T
RES
N
I
NTR T2
.
R
W
P
.H
P
)
4
/
3
T
L
A(ET
UM
1
X
U
A
O
L
D
I
MIH
0
8K2
1
K5
.
2
L
NT
R T
2
L MR LRTC
LEVEL
N
I
A
G
L NIA
M
SENOHP
R
TU
O C
ER
TUO )XFE(2XUA
YALED P
A
T
PMA
TUO
1X
UA
NIAM OT
N
GISSA
MRLRTC
R
1XUA
O
T
ET
U
M
/
K
AE
P
.
L
AB

Other manuals for Phonic POWERPOD 820

Related product manuals