EasyManua.ls Logo

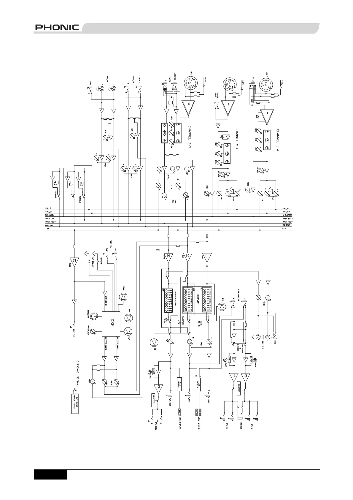
Phonic POWERPOD620 - Powerpod 1062 Block Diagram

Phonic POWERPOD620
27 pages
Print Icon
To Next Page IconTo Next Page
To Next Page IconTo Next Page
To Previous Page IconTo Previous Page
To Previous Page IconTo Previous Page
Loading...
page 24
POWERPOD User's Manual PHONIC CORPORATION
POWERPOD 1060 BLOCK DIAGRAM

Related product manuals