EasyManua.ls Logo

Phonocar VM063 - Mandos de Volante; Salida Audio

Phonocar VM063
20 pages
Print Icon
To Next Page IconTo Next Page
To Next Page IconTo Next Page
To Previous Page IconTo Previous Page
To Previous Page IconTo Previous Page
Loading...
ES
15
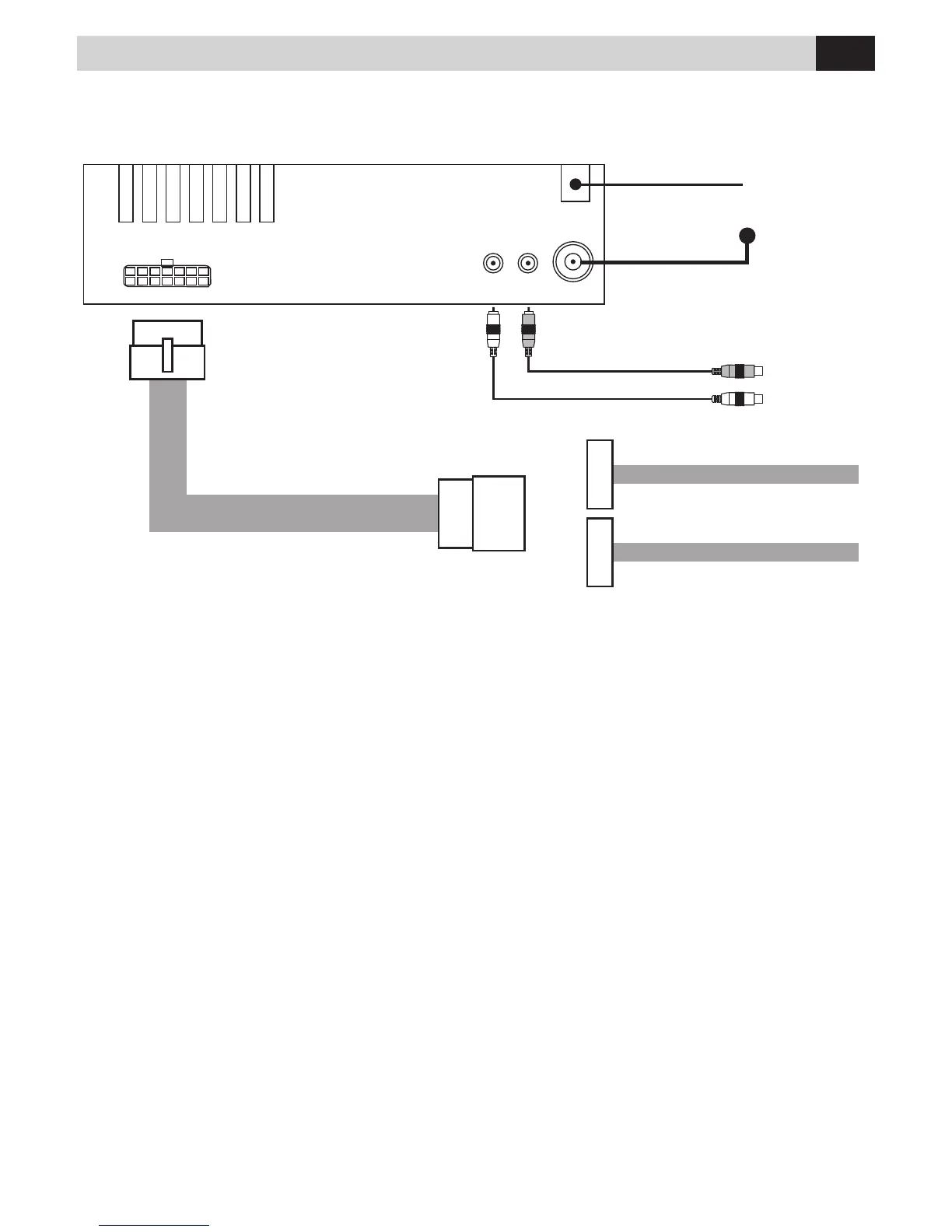
Conexiones
CONECTOR COCHE
ANTENA
SALIDA AUDIO
ISO
SWC
MANDOS DE VOLANTE

Related product manuals