EasyManua.ls Logo

Phonocar VM063 - Connections Diagram; Rear Panel Connectivity Layout

Phonocar VM063
20 pages
Print Icon
To Next Page IconTo Next Page
To Next Page IconTo Next Page
To Previous Page IconTo Previous Page
To Previous Page IconTo Previous Page
Loading...
3
IT/EN
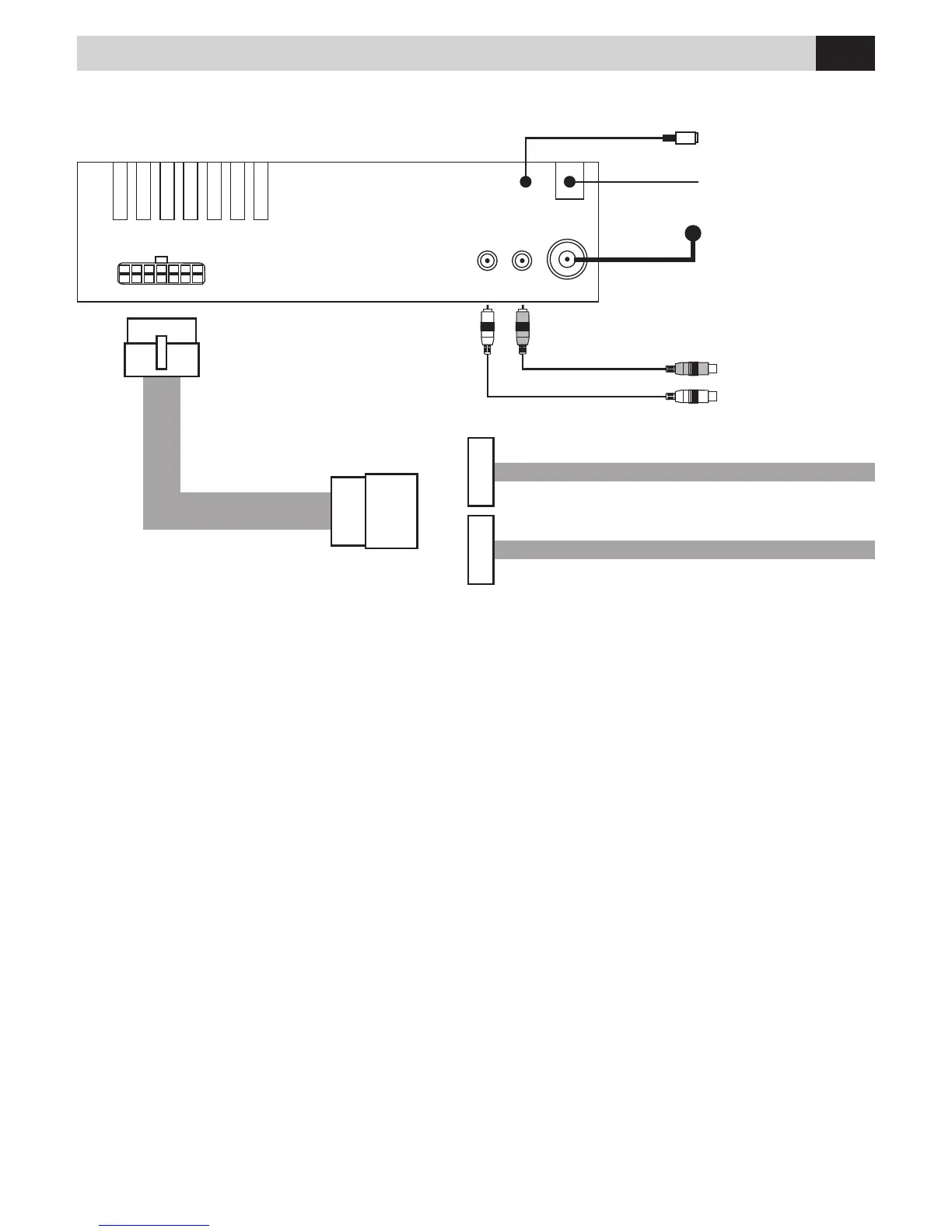
Connessioni • Connections
CONNETTORI AUTO / CAR CONNECTORS
ANTENNA
AERIAL
USCITA / OUTPUT AUDIO
ISO
SWC
COMANDI AL VOLANTE
STEERING WHEEL COMMANDS
MICROFONO
MICROPHONE

Related product manuals