EasyManua.ls Logo

PI P-587.6CD - Dimensions; Torque for Stainless Steel Screws (A2-70)

PI P-587.6CD
47 pages
Print Icon
To Next Page IconTo Next Page
To Next Page IconTo Next Page
To Previous Page IconTo Previous Page
To Previous Page IconTo Previous Page
Loading...
10 Technical Data
36 Version: 1.1.0 PZ251E P-587 Positioner
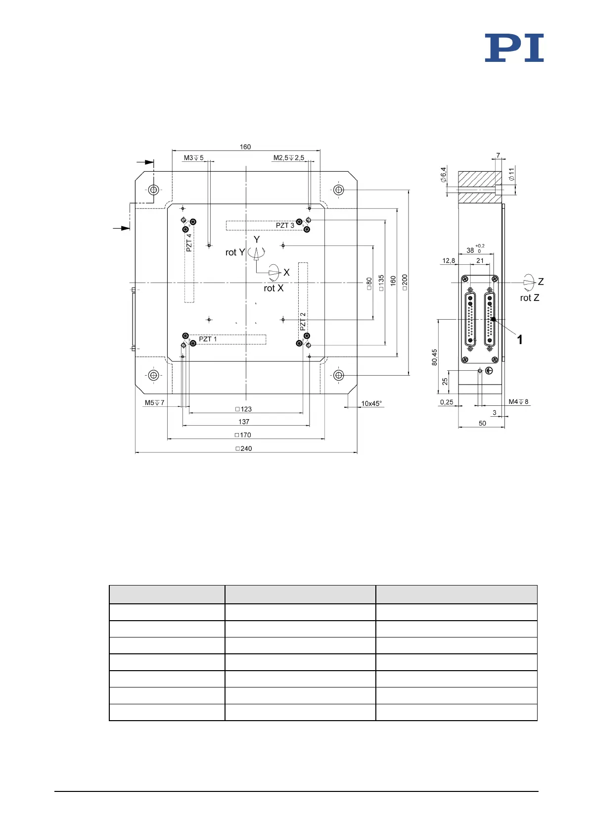
10.3 Dimensions
Figure 8: P-587.6CD, dimensions in mm. Note that the decimal points are separated by a comma in
the drawings.
1: Rotation center, depending on Z
10.4 Torque for Stainless Steel Screws (A2-70)
Screw size Minimum torque Maximum torque
M6 4 Nm 6 Nm
M5
2.5 Nm
3.5 Nm
M4
1.5 Nm
2.5 Nm
M3
0.8 Nm
1.1 Nm
M2.5
0.3 Nm
0.4 Nm
M2
0.15 Nm
0.2 Nm
M1.6
0.06 Nm
0.12 Nm
Pay attention to the screw-in depth required for the respective material according to
the VDI directive 2230.

Related product manuals