EasyManua.ls Logo

poclain hydraulics MS08 - Page 81

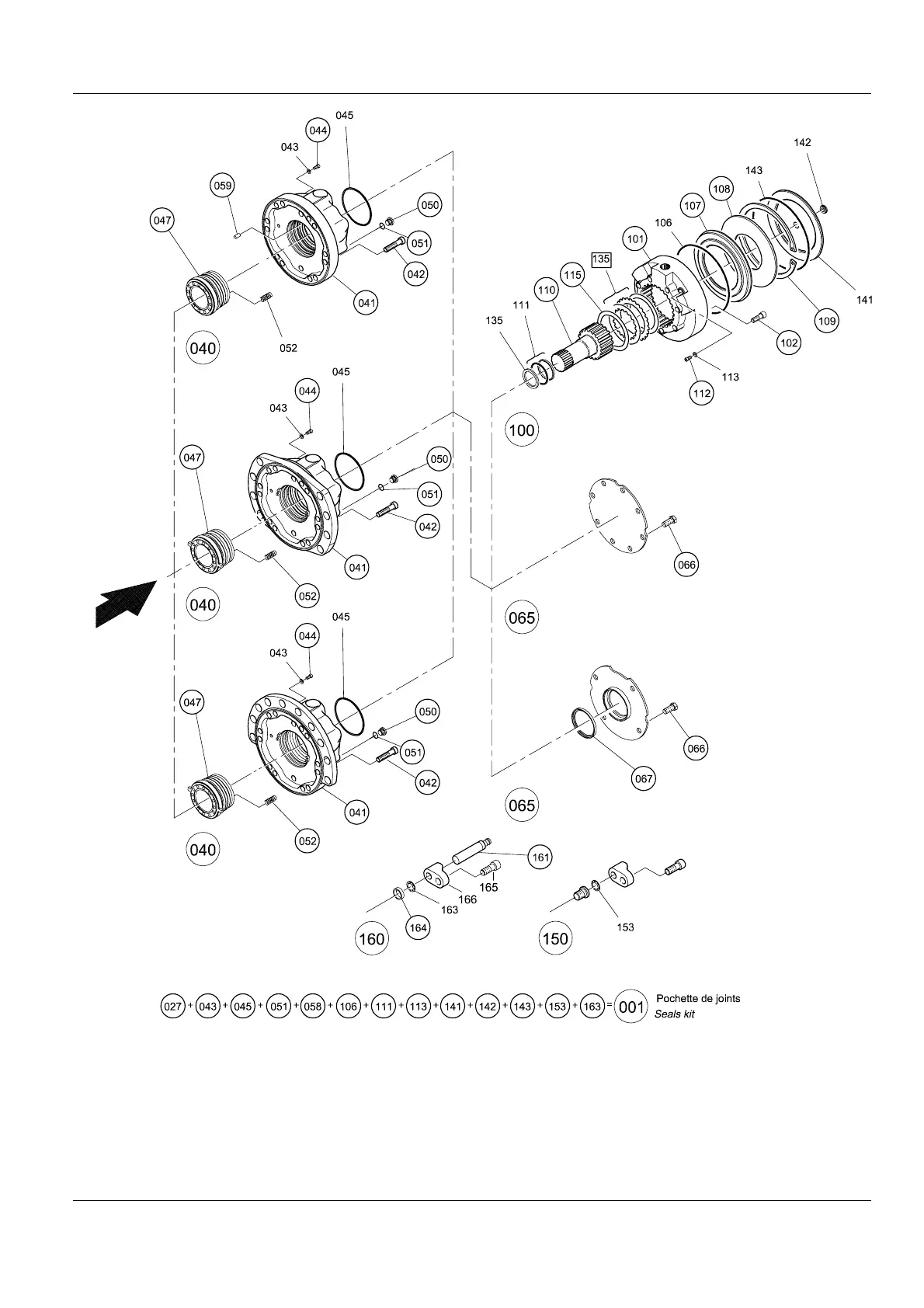
poclain hydraulics MS08
84 pages
Print Icon
To Next Page IconTo Next Page
To Next Page IconTo Next Page
To Previous Page IconTo Previous Page
To Previous Page IconTo Previous Page
Loading...
POCLAIN HYDRAULICS
677777845L DOC-REPAIR-MS02-MS18-FR-EN 81
8159

Table of Contents

Other manuals for poclain hydraulics MS08

Related product manuals