EasyManua.ls Logo

Polaris 340 CLASSIC 2006

Polaris 340 CLASSIC 2006
300 pages
To Next Page IconTo Next Page
To Next Page IconTo Next Page
To Previous Page IconTo Previous Page
To Previous Page IconTo Previous Page
Loading...
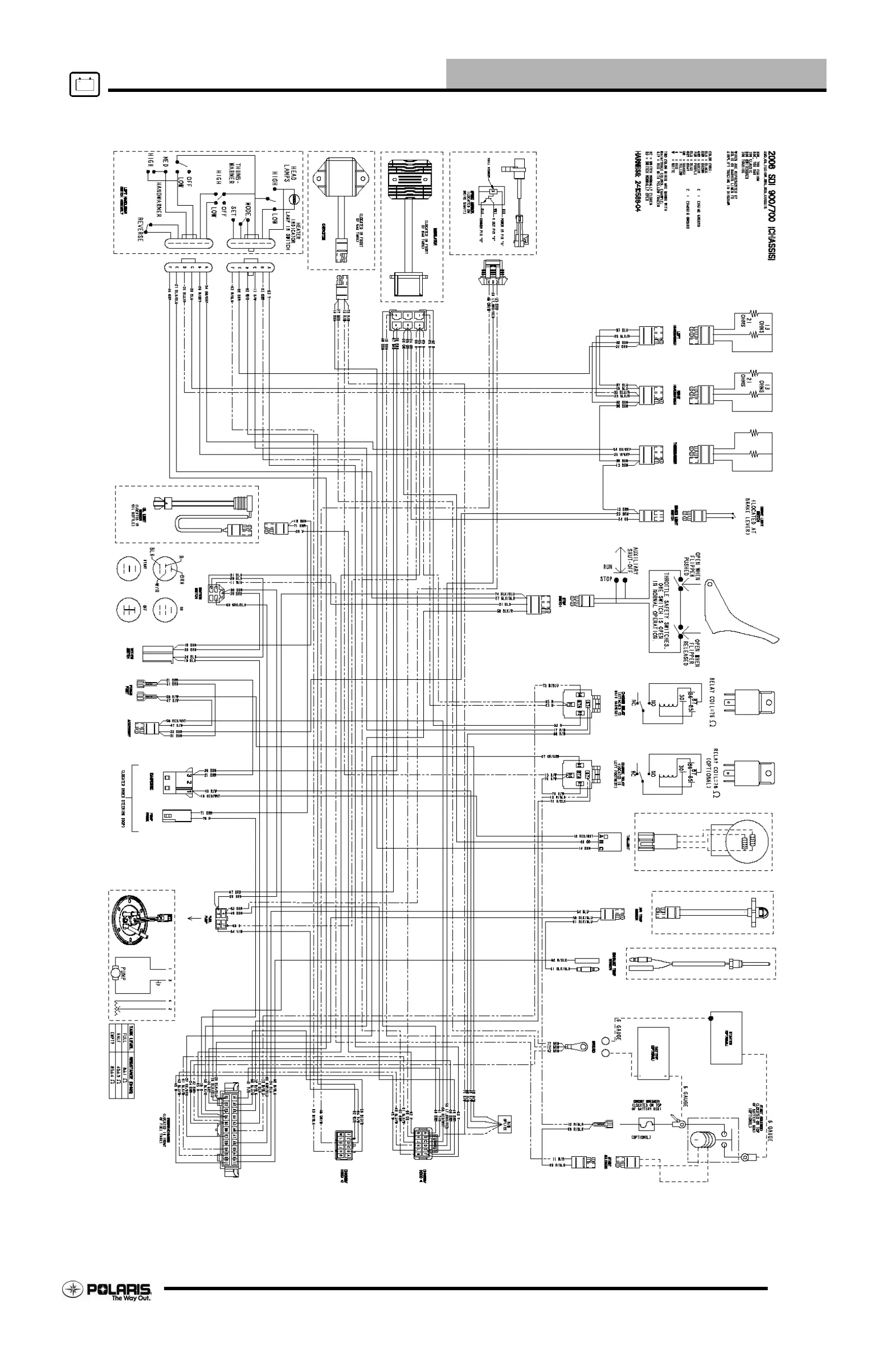
14.7
WIRE DIAGRAM
700 / 900 CHASSIS

Table of Contents

Related product manuals