EasyManua.ls Logo

Polaris RZR S 900 2016 - Camshafts; Cylinder Head; Flywheel; Idler Gears; Stator Cover

Polaris RZR S 900 2016
543 pages
Print Icon
To Next Page IconTo Next Page
To Next Page IconTo Next Page
To Previous Page IconTo Previous Page
To Previous Page IconTo Previous Page
Loading...
3
9926814 R08 - 2015-2016 RZR 900 2016 RZR S 1000 Service
Manual
© Copyright Polaris Industries Inc.
3.9
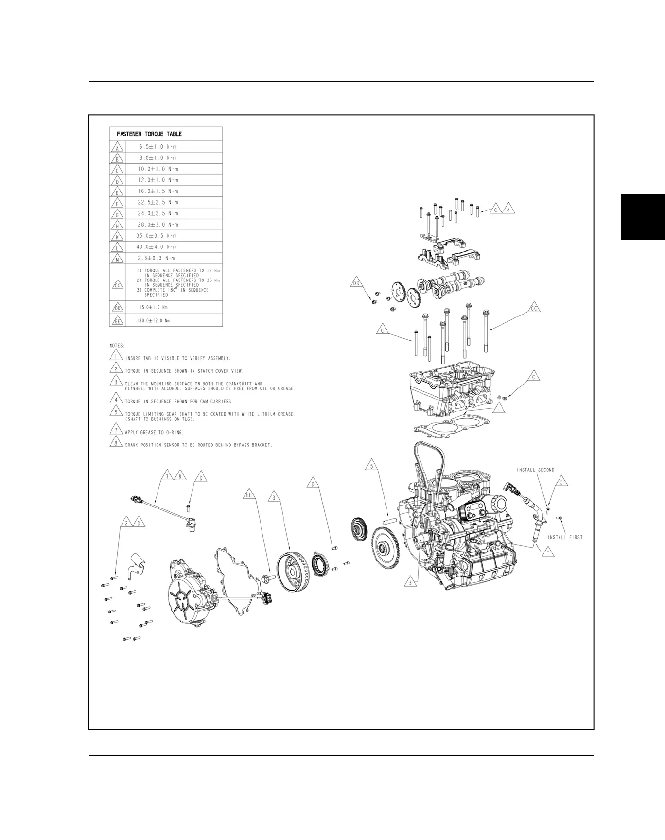
CAMSHAFTS / CYLINDER HEAD / FLYWHEEL / IDLER GEARS / STATOR COVER
ENGINE / COOLING SYSTEM

Table of Contents

Related product manuals