EasyManua.ls Logo

Polaroid Land SX-70

Polaroid Land SX-70
54 pages
To Next Page IconTo Next Page
To Next Page IconTo Next Page
To Previous Page IconTo Previous Page
To Previous Page IconTo Previous Page
Loading...
to an adequate level to hold the solenoid after the
high-current circuit has completed the solenoid
operating function and switches on the motor
drive circuit. Thus, the shutter will remain closed,
with minimum battery drain.
Light entering the lens is now cut off and the
reex mirror is swung upward to picture-taking
position. The electronic latch (activated by
opening S5) assures that the sequence will be
completed even if the operator removes his
nger from the exposure button, S1.
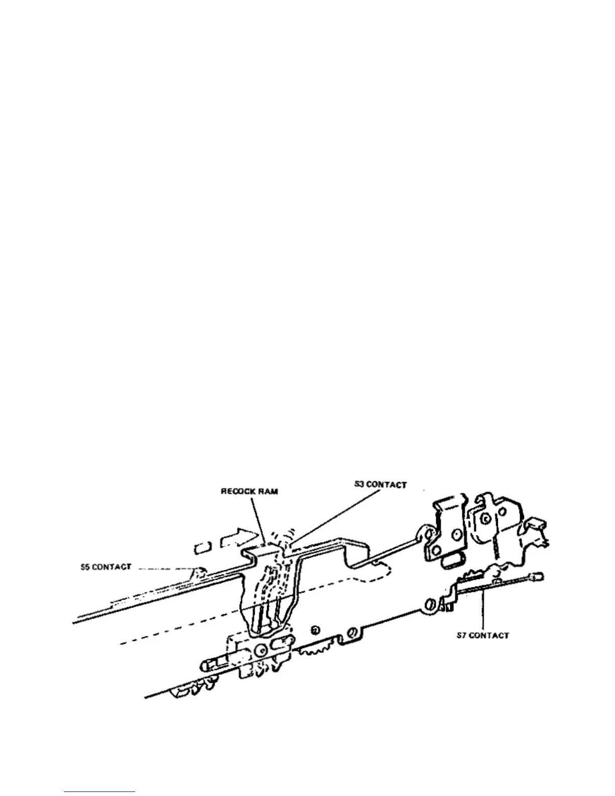
When the mirror swings up, a mecchanically
operated switch (S3) actuates a «Y» delay
circuit (40 milliseconds) (Figure 1-12) so that the
shutter will not function until the mirror bounce
has subsided. At the end of the delay period the
electronic circuitly removes the power from the
soleniod and the opening spring sets the shutter
blades in motion toward the full open position.
At the same instant an electronic switch opens
and starts the integration cycle. The integration
cycle is that period during which the total amount
of light (intensity and duration) reaching the
photocell is transformed electronically to regulate
the lenght of time the ml is exposed. The shape
of the opening in the shutter blades and the
motion of the blades is such that all of the factors
involved are continously variable throughout the
exposure period. this fact, however, is a design
consideration and should not confuse the theory
of the shutter operation from a maintenance
point of view.
When the camera completes all off its automafed
functions and the release button has been
released, all voltage is removed from solenoid #1
and the shutter opens in preparation for the next
exposure.
It should be noted that under extremeley low light
conditions, the shutter will closed completing the
exposure cycle in 14 to 30 seconds whether a
suitable exposure has produced or not.
Figure 1-12 S3 Being opened by recock ram
C. SHUTTER DESCRIPTION
(FLASH MODE)
The special ten-shot ash bar is equiped with
a shorting bar so that when the bar is inserted,
two contacts within the camera is shorted. This
switch is identied as S2. When S2 is closed,
the shutter electronic circuit detects that a ash
bar is in place and ready for ring. In general,
the sequence of the functions remains the same
as for ambient light operation with the following
exceptions :

Table of Contents

Related product manuals