EasyManua.ls Logo

Polaroid Land SX-70

Polaroid Land SX-70
54 pages
To Next Page IconTo Next Page
To Next Page IconTo Next Page
To Previous Page IconTo Previous Page
To Previous Page IconTo Previous Page
Loading...
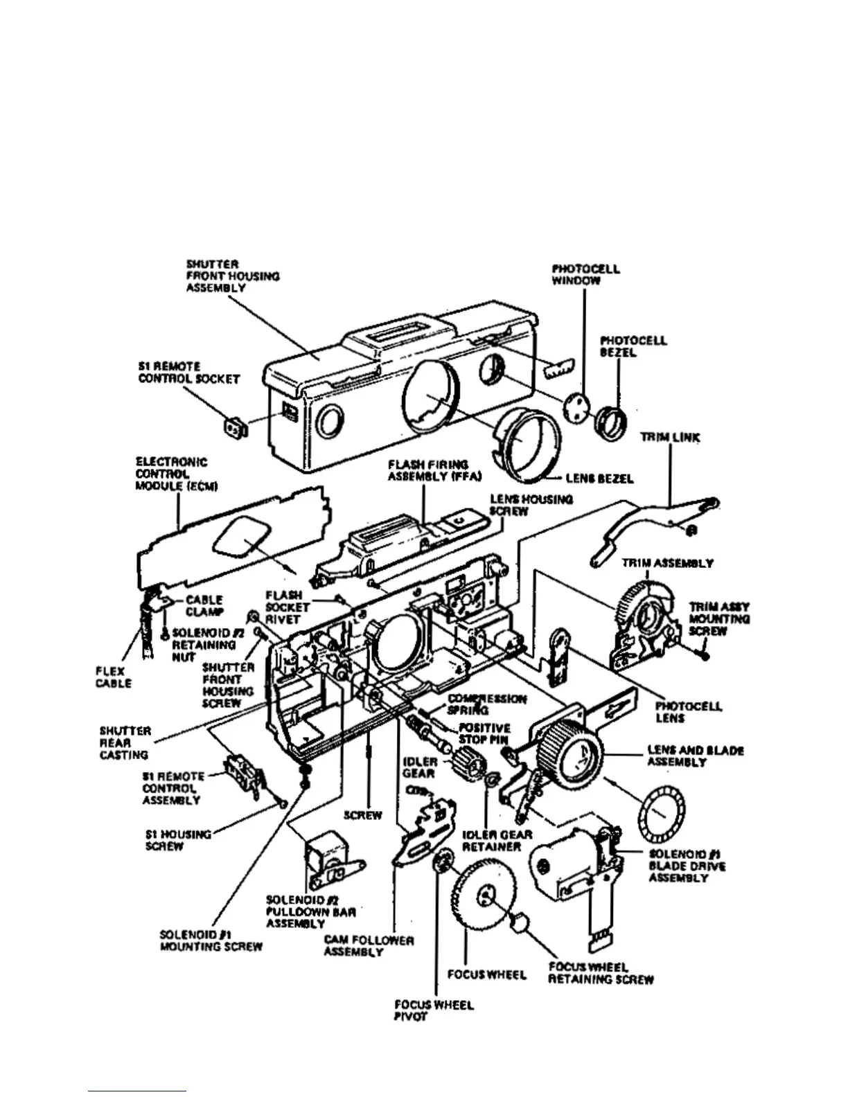
The following paragraphs describe the manner in
which the mechanical components of the shutter
respond to either manual or electrical direction.
1. When the operator prepares to take a picture,
he rst must aim and focus the camera. As he
rotates the focus wheel to bring the split Fresnel
image into focus, a cam molded into the rear
surface of the focus wheel moves the component
identied as the cam follower assembly. The
trim link coupled to the trim assembly is pinned
to the cam follower in such a way that follower
movement is also directly inuenced by the
setting of the trim wheel. (The trim wheel is the
lighten / darken control on the photocell.)
F. SHUTTER MECHANICAL DETAILS
(Figure 2-9)
Figure 2-9 Shutter, exploded view

Table of Contents

Related product manuals