EasyManua.ls Logo

Pool Technologie MINIPH - 1 Diagrama de Instalação

Default Icon
Print Icon
To Next Page IconTo Next Page
To Next Page IconTo Next Page
To Previous Page IconTo Previous Page
To Previous Page IconTo Previous Page
Loading...
3
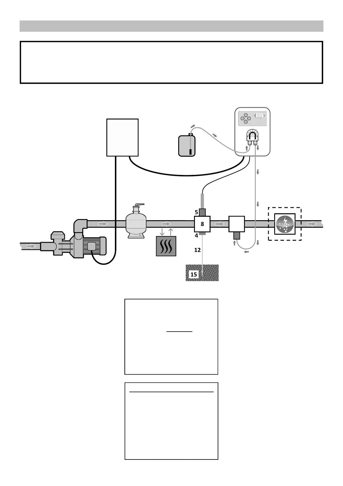
1. DIAGRAMA DE INSTALAÇÃO
2
ELEMENTOS NÃO FORNECIDOS :
10 : Fonte de energia
11 : Garrafão de corretor pH
12 : Cabo de cobre
13 : Célula de eletrólise
14 : Filtrado
15 : Estaca de terra
16 : Bomba de calor
17 : Bomba de filtração
H
I
O garrafão de corretor pH deve estar suficientemente longe de qualquer equipamento elétrico e qualquer
outro produto químico.
X
X
10
11
9
9
17
14
16
13
8
8
7
5
1
6
1
:
Caixa eletrônica
2 : Filtro lastrador
3 : Bomba peristáltica
4 : Pool Terre (opcional)
5 : Porta-sonda
6 : Encaixe de injeção
7 : Sonda pH
8 : Suporte
9 : Mangueira semi-rígida
12
4
15
3

Related product manuals