EasyManua.ls Logo

Pool Technologie MINIPH - 1 Diagrama de Instalación

Default Icon
Print Icon
To Next Page IconTo Next Page
To Next Page IconTo Next Page
To Previous Page IconTo Previous Page
To Previous Page IconTo Previous Page
Loading...
3
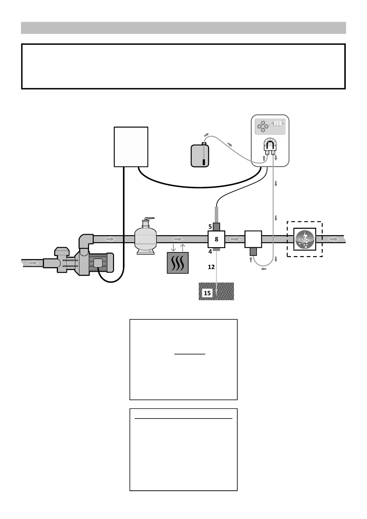
1. DIAGRAMA DE INSTALACIÓN
2
ELEMENTOS NO SUMINISTRADOS :
10 : Alimentación eléctrica
11 : Bidón de corrector de pH
12 : Cable de cobre
13 : Celda de electrólisis
14 : Filtrado
15 : Juego de tierra
16 : Bomba de calor
17 : Bomba de filtración
H
I
El bidón de corrector de pH debe estar lo suficientemente alejado de cualquier equipo eléctrico y cualquier
otro producto químico.
X
X
10
11
9
9
17
14
16
13
8
8
7
5
1
6
1
:
Caja electrónica
2 : Filtro de lastre
3 : Bomba peristáltica
4 : Pool Terre (en opción)
5 : Soporte de sonda
6 : Racor de inyección
7 : Sonda de pH
8 : Apoyo
9 : Manguera semirrígida
12
4
15
3

Related product manuals