EasyManua.ls Logo

Pool Technologie MINIPH - 1 Installation Diagram

Default Icon
Print Icon
To Next Page IconTo Next Page
To Next Page IconTo Next Page
To Previous Page IconTo Previous Page
To Previous Page IconTo Previous Page
Loading...
3
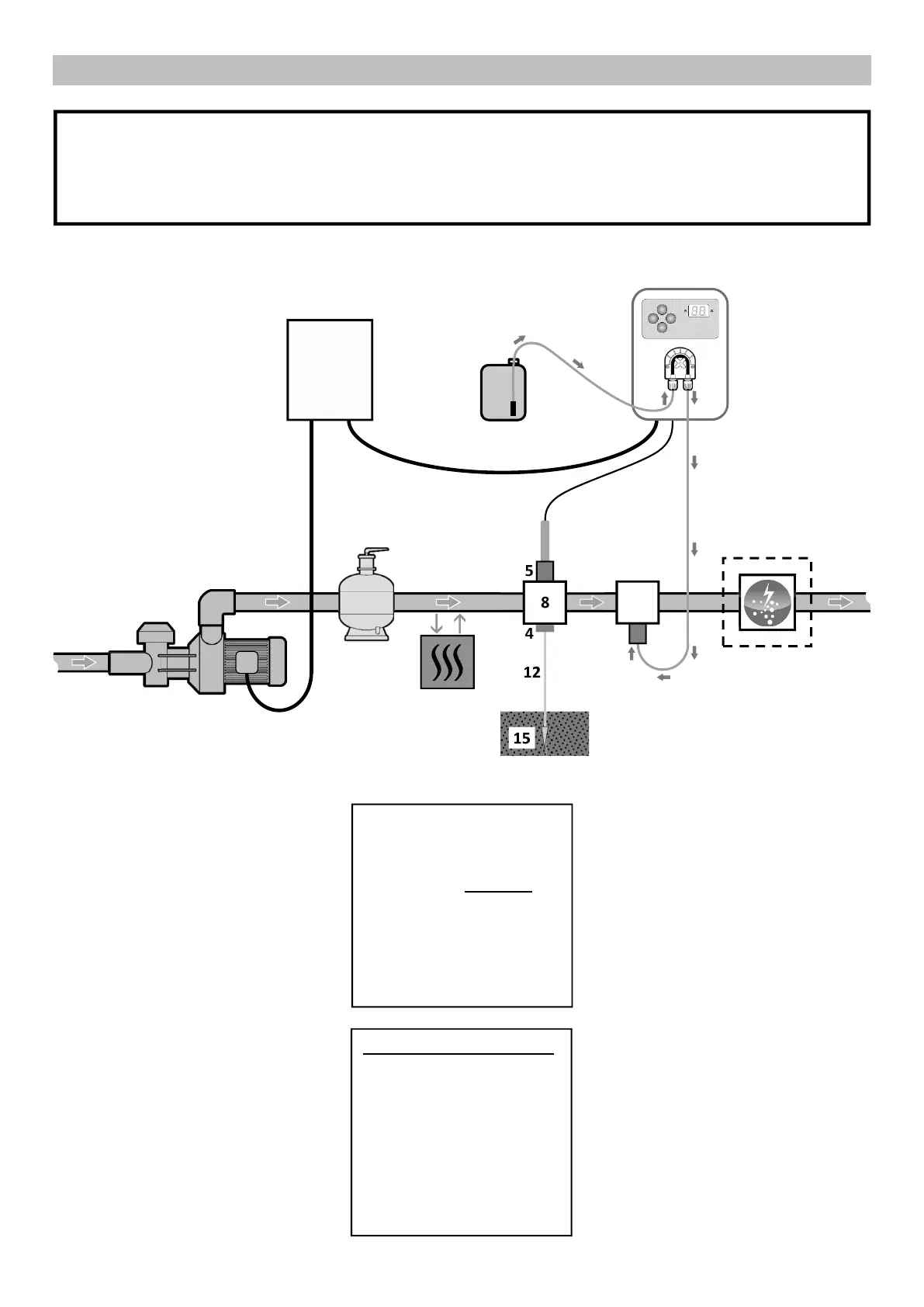
1. INSTALLATION DIAGRAM
2
ELEMENTS NOT SUPPLIED :
10 : Electrical power supply
11 : pH corrector container
12 : Copper cable
13 : Electrolysis cell
14 : Filter
15 : Ground rod
16 : Heat pump
17 : Filtration pump
H
I
The pH corrector container must be installed a safe distance away from any electrical device or any other
chemicals.
X
X
10
11
9
9
17
14
16
13
8
8
7
5
1
6
1
:
Electronics box
2 : Ballast filter
3 : Peristaltic pump
4 : Pool Terre (optional)
5 : Probe holder
6 : Injection connector
7 : pH probe
8 : Bracket
9 : Semi-flexible tubing
12
4
15
3

Related product manuals