EasyManua.ls Logo

Porter-Cable PCXB340SS - Page 27

Porter-Cable PCXB340SS
28 pages
Print Icon
To Next Page IconTo Next Page
To Next Page IconTo Next Page
To Previous Page IconTo Previous Page
To Previous Page IconTo Previous Page
Loading...
27
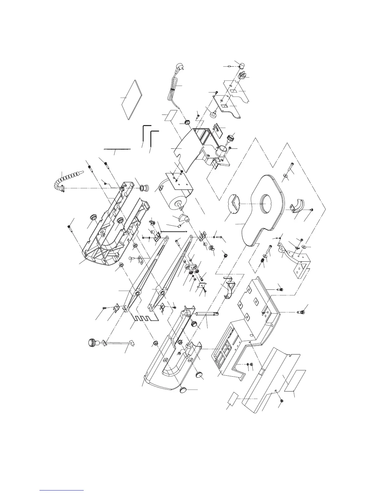
16 IN. (406 MM) VARIABLE SPEED SCROLL SAW
SCHEMATIC
X7HQ
X7HR
X7FP
X7FH
X7GB
X7HL
X7FJ
X7FN
X7GQ
X7FK
X7GU
X7FE
X7GY
X7G8
2
X7H5
X7H4
X7FG
4
X7GE
4
X7FF
X7FQ
X7FR
X7GV
X7HS
X7GW
X7G7
X7GX
X7HM
2
X7FZ
X7FX
X7FU
X7GZ
2
X7G2
X7G4
X7FV
X7GG
X7GL
X7FW
X7G1
X7G5
X7FY
X7G0
2
X7G0
4
X7FB
X7GZ
2
X7HK
X7FC
X7HH
4
X7HJ
4
X7HG
X7HF
X7HF
X7HF
X7HF
X7HJ
X7H6
X7GA
X7G9
X7G6
X7H9
X7HB
X7H8
X7H6
X7H6
X7H6
X7HE
X7HD
X7HC
X7HB
X7H9
X7H7
X7H3
X7H1
5
X7GT
2
X7GS
4
X7GR
X7GQ
X7GQ
X7GP
X7GP
X7FT
X7FS
X7FD
X7GN
X7GN
X7GM
X7FM
X7FL
X7GL
X7H0
X7G3
X7G3
X7GC
X7GH
X7GH
X7GJ
X7GK
X7H2
X7GG
X7GF
X7GE
X7HA
X7GD

Related product manuals