EasyManua.ls Logo

Potterton Paramount 40 - Page 43

Potterton Paramount 40
50 pages
Print Icon
To Next Page IconTo Next Page
To Next Page IconTo Next Page
To Previous Page IconTo Previous Page
To Previous Page IconTo Previous Page
Loading...
POTTERTON COMMERCIAL PRODUCTS DIVISION
INSTALLATION, OPERATION AND MAINTENANCE MANUAL
SECTION 8
PARAMOUNT
PAGE 41
31
46b
47
20
42
46c
45
47
20
37
38
42
40a
41
35
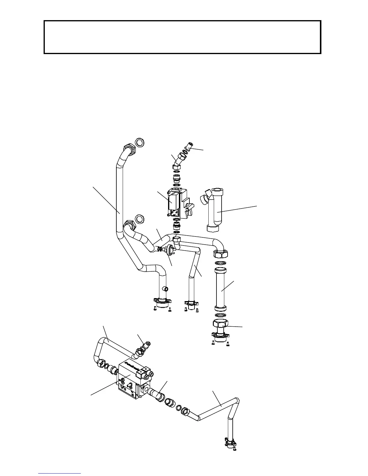
Pipework Paramount 60/80

Related product manuals