EasyManua.ls Logo

Potterton PRIMA 30C - Page 4

Potterton PRIMA 30C
28 pages
Print Icon
To Next Page IconTo Next Page
To Next Page IconTo Next Page
To Previous Page IconTo Previous Page
To Previous Page IconTo Previous Page
Loading...
4
GENERAL ARRANGEMENT - Page 4
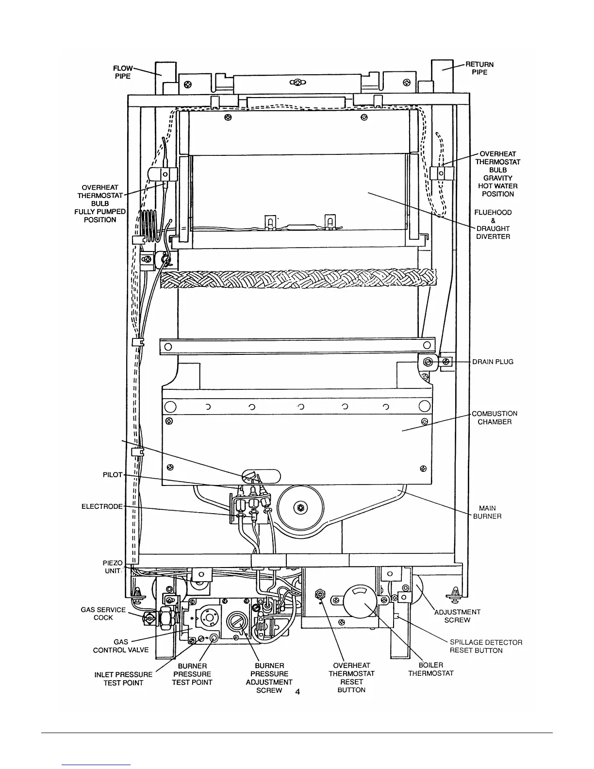
Figure 2 - GENERAL ARRANGEMENT

Related product manuals