EasyManua.ls Logo

Power integrations TOPSwitch-HX Series - Functional Block Diagram

Power integrations TOPSwitch-HX Series
50 pages
Print Icon
To Next Page IconTo Next Page
To Next Page IconTo Next Page
To Previous Page IconTo Previous Page
To Previous Page IconTo Previous Page
Loading...
Rev. J 08/16
4
TOP252-262
www.power.com
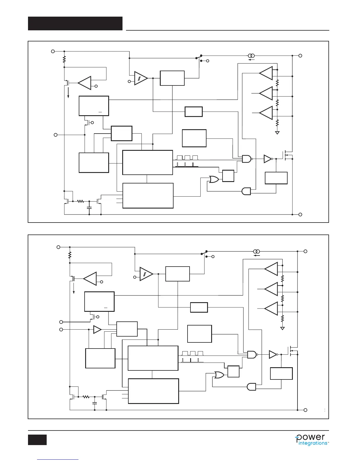
Figure 3a. Functional Block Diagram (P and G Packages).
Figure 3b. Functional Block Diagram (M Package).
PI-4643-040507
SHUTDOWN/
AUTO-RESTART
CLOCK
CONTROLLED
TURN-ON
GATE DRIVER
CURRENT LIMIT
COMPARATOR
INTERNAL UV
COMPARATOR
INTERNAL
SUPPLY
5.8 V
4.8 V
SOURCE (S)
SOURCE (S)
S
R
Q
D
MAX
STOP
SOFT
START
CONTROL (C)
VOLTAGE
MONITOR (V)
-
+
5.8 V
I
FB
1 V
Z
C
V
C
+
-
+
-
+
-
LEADING
EDGE
BLANKING
÷ 16
1
HYSTERETIC
THERMAL
SHUTDOWN
SHUNT REGULATOR/
ERROR AMPLIFIER
+
-
DRAIN (D)
ON/OFF
DC
MAX
DC
MAX
0
OV/
UV
OVPV
V
I (LIMIT)
CURRENT
LIMIT
ADJUST
V
BG
+ V
T
LINE
SENSE
SOFT START
OFF
F REDUCTION
F REDUCTION
STOP LOGIC
EXTERNAL
CURRENT
LIMIT (X)
OSCILLATOR
WITH JITTER
PWM
I
PS(UPPER)
I
PS(LOWER)
SOFT START
I
FB
I
PS(UPPER)
I
PS(LOWER)
I
PS(UPPER)
I
PS(LOWER)
PI-4508-120307
SHUTDOWN/
AUTO-RESTART
CLOCK
CONTROLLED
TURN-ON
GATE DRIVER
CURRENT LIMIT
COMPARATOR
INTERNAL UV
COMPARATOR
INTERNAL
SUPPLY
5.8 V
4.8 V
K
PS(UPPER)
K
PS(LOWER)
SOURCE (S)
SOURCE (S)
S
R
Q
D
MAX
STOP
SOFT
START
CONTROL (C)
MULTI-
FUNCTION (M)
-
+
5.8 V
I
FB
Z
C
V
C
+
-
+
-
+
-
LEADING
EDGE
BLANKING
÷ 16
1
HYSTERETIC
THERMAL
SHUTDOWN
SHUNT REGULATOR/
ERROR AMPLIFIER
+
-
DRAIN (D)
ON/OFF
DC
MAX
DC
MAX
0
OV/
UV
OVPV
V
I (LIMIT)
CURRENT
LIMIT
ADJUST
V
BG
+ V
T
LINE
SENSE
SOFT START
SOFT START
I
FB
I
PS(UPPER)
I
PS(LOWER)
K
PS(UPPER)
K
PS(LOWER)
OFF
F REDUCTION
F REDUCTION
STOP LOGIC
OSCILLATOR
WITH JITTER
PWM