EasyManua.ls Logo

Powermate PM0143250 - Parts Drawings and Parts List; Schema des Pièces Et Liste des Pièces; Diagrama de Piezas y Lista de Piezas

Powermate PM0143250
48 pages
Print Icon
To Next Page IconTo Next Page
To Next Page IconTo Next Page
To Previous Page IconTo Previous Page
To Previous Page IconTo Previous Page
Loading...
42
Customer Hotline 1-800-445-1805
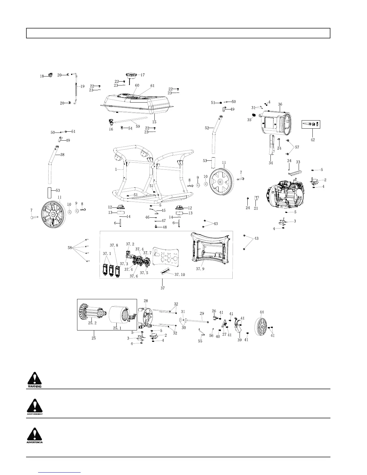
PARTS DRAWING / SCHEMA DES PIÈCES / DIAGRAMA DE PIEZAS - PM0143250
PARTS DRAWING / SCHEMA DES PIÈCES / DIAGRAMA DE PIEZAS - PM0143250
Note A: These are standard parts available at your local hardware store.
WARNING: To avoid possible personal injury or equipment damage, a registered electrician or an authorized service representative should
perform installation and all service. Under no circumstances should an unqualified person attempt to wire into a utility circuit.
Remarque A: Ces pièces sont des pièces standard disponibles en quincaillerie.
AVERTISSEMENT: Pour éviter toute blessure personnelle ou dommage à l’équipement, l’installation et tout entretien devralent être effectués par un
électricien qualifié ou un préposé au service autorisé. En aucun cas, une personne non-qualifiée ne devrait essayer de faire le raccord au circuit
principal.
Nota A: Estas son piezas estándar disponibles en su ferretería local.
ADVERTENCIA: Para evitar posibles lesiones físcas o daños materiales, es necesario que la instalación y todo el servicio sea realizado por un
electricista matriculado o representatnte de servicio autorizado. Bajo ninguna circunstancia debe permitirse que una persona que no está capacitad trate
de manipular cables dentro del circuito de servicio eléctrico.

Table of Contents

Related product manuals