EasyManua.ls Logo

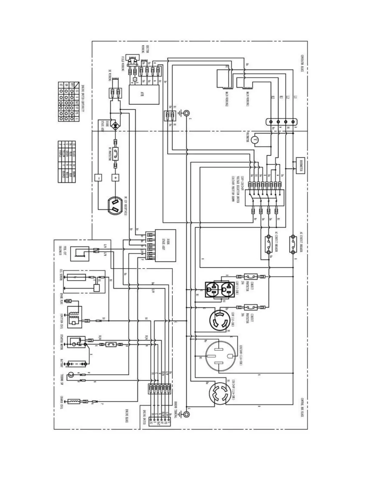
PowerMax XP10000E - WIRING DIAGRAM

PowerMax XP10000E
29 pages
Print Icon
To Next Page IconTo Next Page
To Next Page IconTo Next Page
To Previous Page IconTo Previous Page
To Previous Page IconTo Previous Page
Loading...
9
WIRING DIAGRAM