EasyManua.ls Logo

Powersmart DB2194PR - PARTS LISTS AND WARRANTY; Exploded Views and Parts Lists

Powersmart DB2194PR
74 pages
Print Icon
To Next Page IconTo Next Page
To Next Page IconTo Next Page
To Previous Page IconTo Previous Page
To Previous Page IconTo Previous Page
Loading...
22
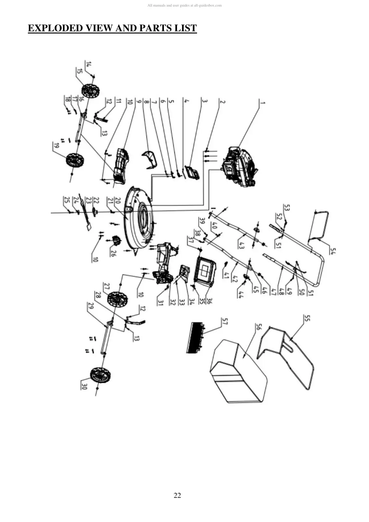
EXPLODED VIEW AND PARTS LIST
All manuals and user guides at all-guidesbox.com

Related product manuals