EasyManua.ls Logo

Powersmart DB8602C - Exploded View & Parts List

Powersmart DB8602C
72 pages
Print Icon
To Next Page IconTo Next Page
To Next Page IconTo Next Page
To Previous Page IconTo Previous Page
To Previous Page IconTo Previous Page
Loading...
19
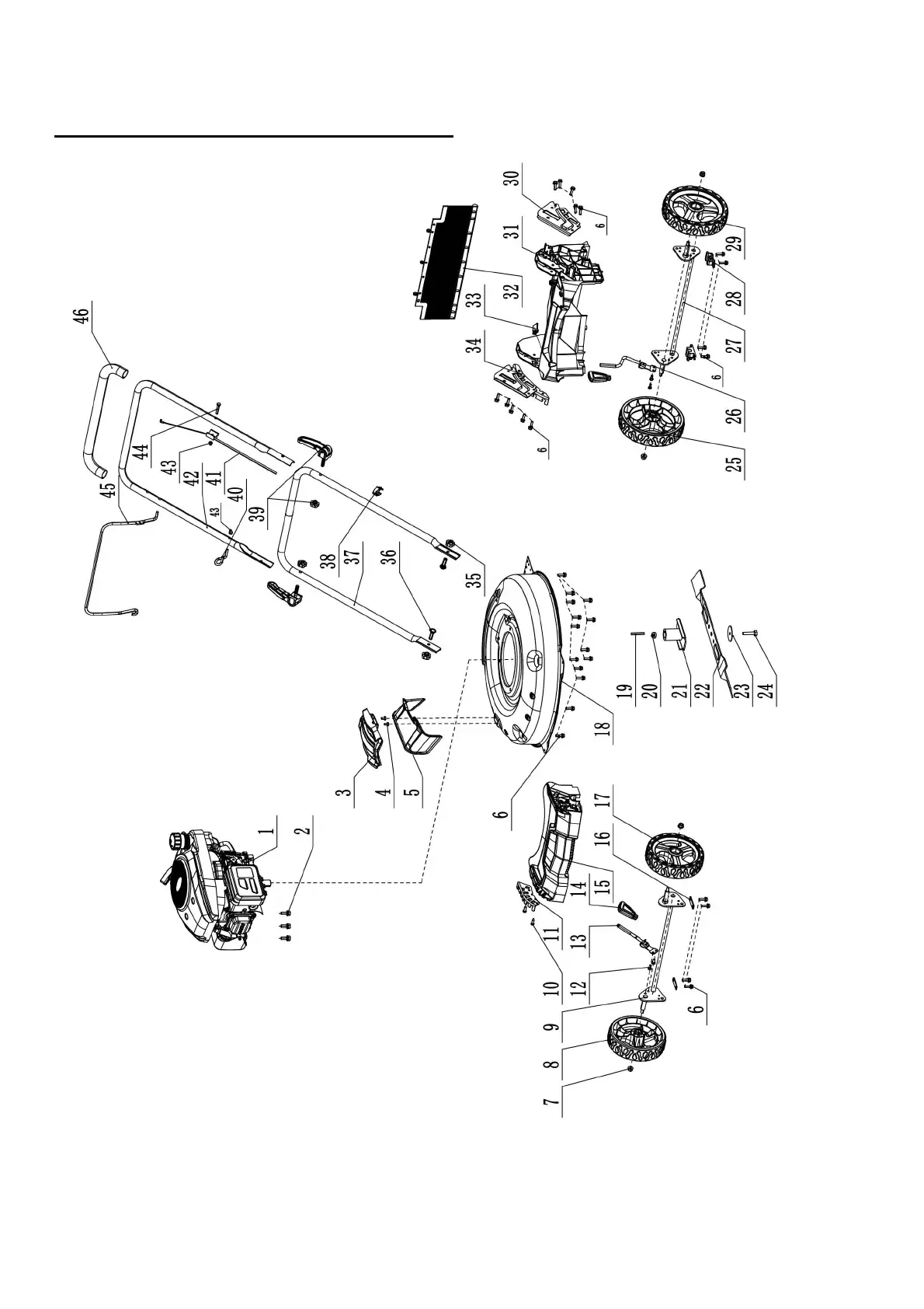
EXPLODED VIEW AND PART LIST

Related product manuals