EasyManua.ls Logo

Powersmart DB8602C - Knowing Your Lawn Mower

Powersmart DB8602C
72 pages
Print Icon
To Next Page IconTo Next Page
To Next Page IconTo Next Page
To Previous Page IconTo Previous Page
To Previous Page IconTo Previous Page
Loading...
9
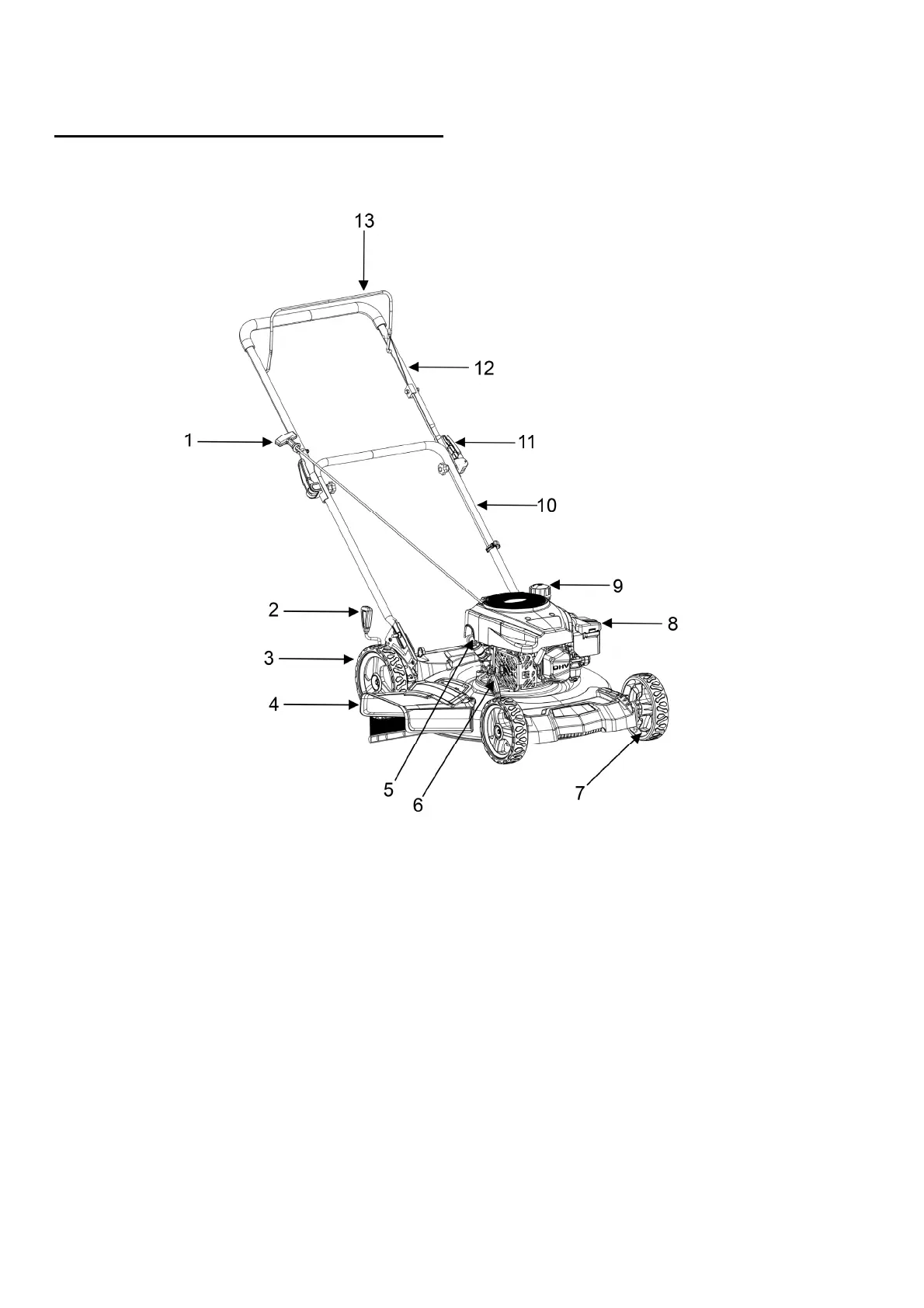
KNOWING YOUR LAWN MOWER
Please use the illustration below to familiarize yourself with the location and function of the components that
control of your lawn mower.
1 Recoil starter handle 8 Primer bulb
2 Cutting height adjustment leve
r
9 Fuel tank cap
3 Rear wheel 10 Lower tube
4 Side discharge chute 11 Foldable handle
5 Oil dipstick 12 Upper tube
6
7
Cutting height adjustment lever
Front wheel
13
Engine start/stop control

Related product manuals