EasyManua.ls Logo

Powersmart DB8602C - Vista Detallada y Lista de Piezas

Powersmart DB8602C
72 pages
Print Icon
To Next Page IconTo Next Page
To Next Page IconTo Next Page
To Previous Page IconTo Previous Page
To Previous Page IconTo Previous Page
Loading...
67
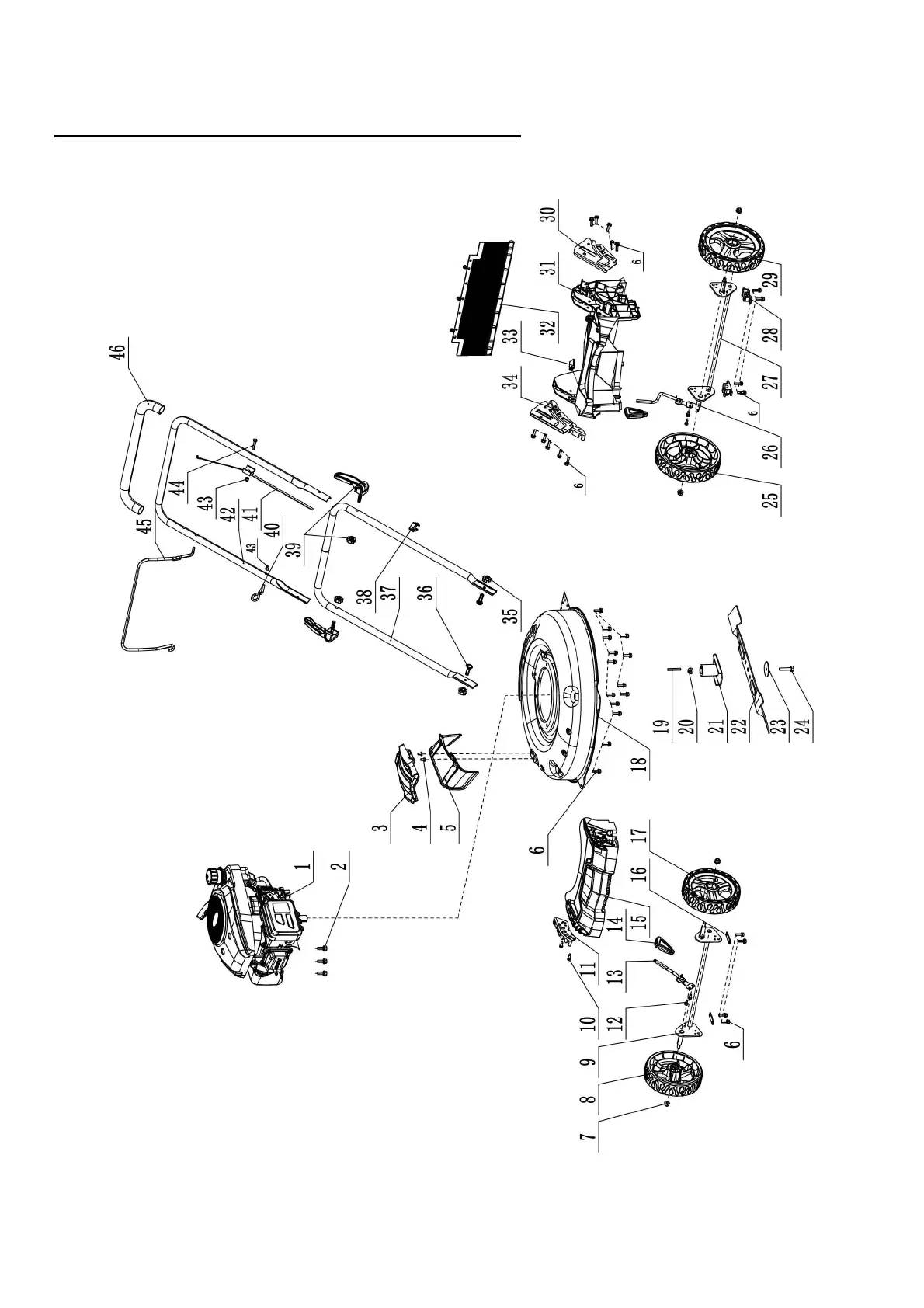
VISTA DETALLADA Y LISTA DE PIEZAS

Related product manuals