EasyManua.ls Logo

Powersmart PSSHD24 - Page 35

Powersmart PSSHD24
41 pages
Print Icon
To Next Page IconTo Next Page
To Next Page IconTo Next Page
To Previous Page IconTo Previous Page
To Previous Page IconTo Previous Page
Loading...
33
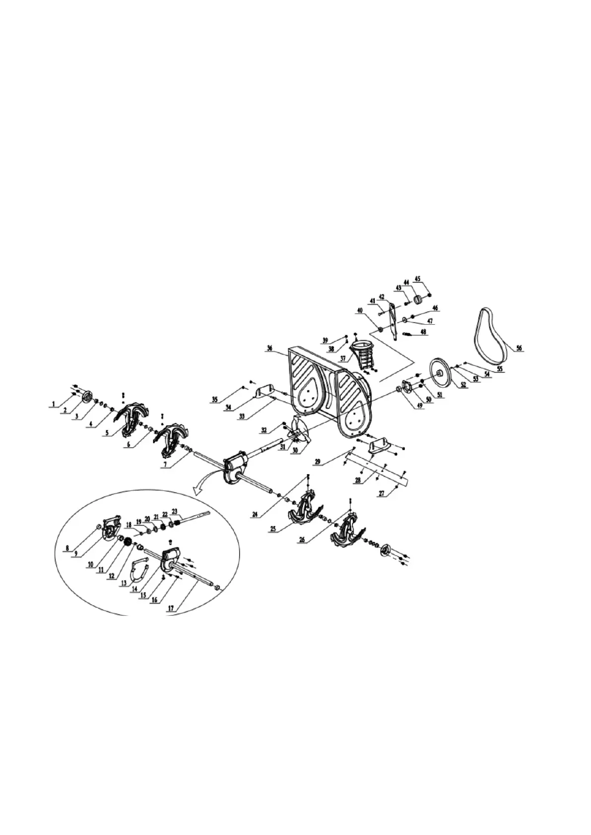
Auger Housing Assembly

Related product manuals